
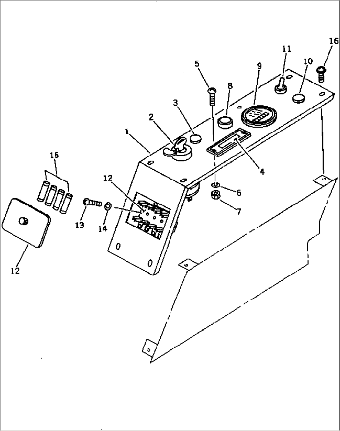
| Item | Part No. | Part Name | Qty | Serial No. |
| 1 | 20W-06-11120 | PANEL | 5001- | |
| 2 | 20S-06-31130 | STARTING SWITCH,STARTING | 5692- | |
| \0\08086-20000 | SWITCH,STARTING | 5001-5691 | ||
| 3 | 09415-01008 | CAP | 5001- | |
| 4 | 20M-06-31120 | LAMP,COMBINATION | 5001- | |
| 20M-06-31130 | BULB¤ 4W | 5001- | ||
| 5 | 01220-40516 | SCREW | 5001- | |
| 6 | 01601-20513 | WASHER,SPRING | 5001- | |
| 7 | 01580-10504 | NUT | 5001- | |
| 8 | 20S-06-14130 | LAMP,THERMOSTAT | 5001- | |
| 08111-01230 | BULB¤ 4W | 5001- | ||
| 9 | 20N-06-41580 | METER,SERVICE | 5001- | |
| 10 | 20M-06-31150 | PLUG | 5001- | |
| 11 | 20N-06-11120 | SWITCH,LAMP | 5001- | |
| 12 | 20R-06-22210 | BOX,FUSE | 5001- | |
| 13 | 01220-40520 | SCREW | 5001- | |
| 14 | 01601-20513 | WASHER,SPRING | 5001- | |
| 15 | 08040-01500 | FUSE¤ 15A | 5321- | |
| 08040-01000 | FUSE¤ 10A | 5001-5320 | ||
| 08040-02000 | FUSE¤ 20A | 5001- | ||
| 16 | 20N-06-41130 | SCREW | 5001- |
