
| Item | Part No. | Part Name | Qty | Serial No. |
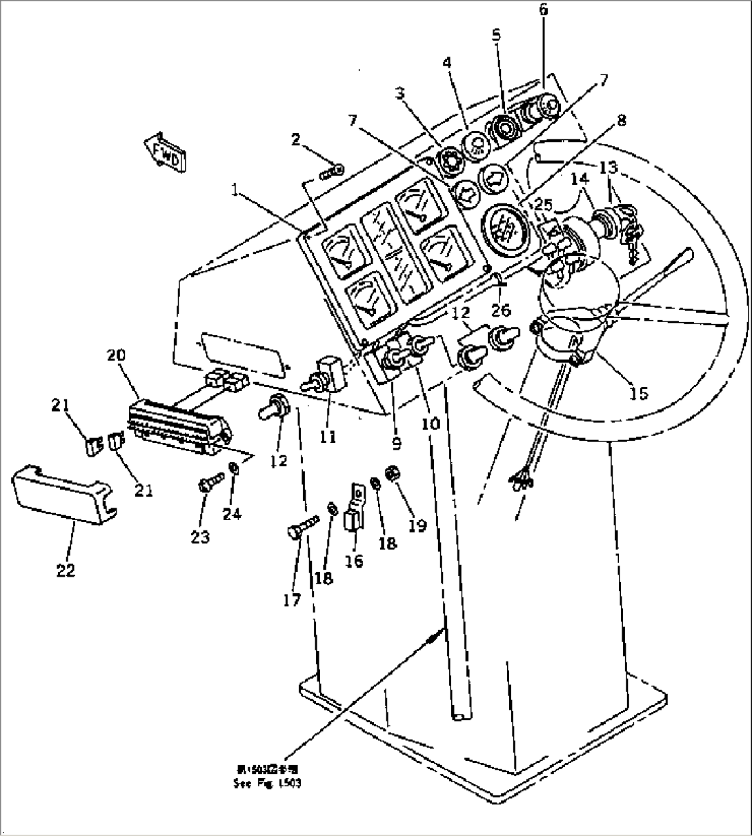
| 1 | 417-06-15112 | GAUGE CLUSTER | 10188- | |
| 1 | \1\417-06-15111 | GAUGE CLUSTER | 10001-10187 | |
| 1 | 417-06-15330 | GAUGE,WATER TEMPERATURE | 10001- | |
| 1 | 417-06-15340 | GAUGE,OIL TEMPERATURE | 10001- | |
| 1 | 417-06-15350 | GAUGE,FUEL LEVEL | 10001- | |
| 1 | 417-06-15360 | GAUGE,VOLT | 10001- | |
| 1 | 417-06-15390 | PLATE, CAUTION | 10001- | |
| 1 | 08102-02403 | BULB, 3W | 10001- | |
| 1 | 417-06-15380 | SOCKET | 10001- | |
| 1 | 417-06-15310 | PANEL | 10001- | |
| 1 | 417-06-15320 | GASKET,PANEL | 10001- | |
| 2 | 01224-40520 | SCREW | 10001- | |
| 3 | 41A-06-15120 | LAMP,TRANSMISSION CUT OFF | 10001- | |
| 3 | 08111-02430 | BULB, 3W | 10001- | |
| 3 | 08021-00400 | CONNECTOR | 10001- | |
| 4 | 417-06-15221 | LAMP,WORK | 10001- | |
| 4 | 08111-02430 | BULB, 3W | 10001- | |
| 4 | 08021-00400 | CONNECTOR | 10001- | |
| 5 | (600-815-2371) | SIGNAL,HEATER | 10001- | |
| 6 | 08061-60010 | SWITCH,LAMP | 10001- | |
| 7 | 566-06-17150 | LAMP,INDICATOR | 10001- | |
| 8 | 417-06-15120 | METER,SERVICE | 10001- | |
| 8 | 7815-11-1010 | BULB, 1.4W | 10001- | |
| 9 | 08501-22501 | SWITCH,TRANSMISSION CUT OFF | 10001- | |
| 10 | 08501-21508 | SWITCH,WORK LAMP | 10001- | |
| 11 | 08501-22501 | SWITCH,PARKING | 10001- | |
| 12 | 08504-10000 | CAP | 10001- | |
| 13 | 08086-20000 | SWITCH,STARTING | 10001- | |
| 14 | 426-43-18850 | SHIM, 1.0MM | 10001- | |
| 15 | 417-06-11260 | SWITCH,TURN SIGNAL | 10001- | |
| 16 | 22W-06-13251 | FLASHER | 10001- | |
| 17 | 01010-50630 | BOLT | 10001- | |
| 18 | 01643-30623 | WASHER | 10001- | |
| 19 | 01580-10605 | NUT | 10001- | |
| 20 | 41A-06-12151 | BOX | 10001- | |
| 21 | 283-06-16190 | FUSE, 10A | 10001- | |
| 21 | 22W-06-13160 | FUSE, 20A | 10001- | |
| 22 | 283-06-16120 | COVER | 10001- | |
| 23 | 01220-40620 | SCREW | 10001- | |
| 24 | 01641-20608 | WASHER | 10001- | |
| 25 | 08603-40020 | CABLE | 10001- | |
| 26 | 08034-20519 | BAND | .- | |
| 26 | 08034-00414 | BAND | 10001-. |
