
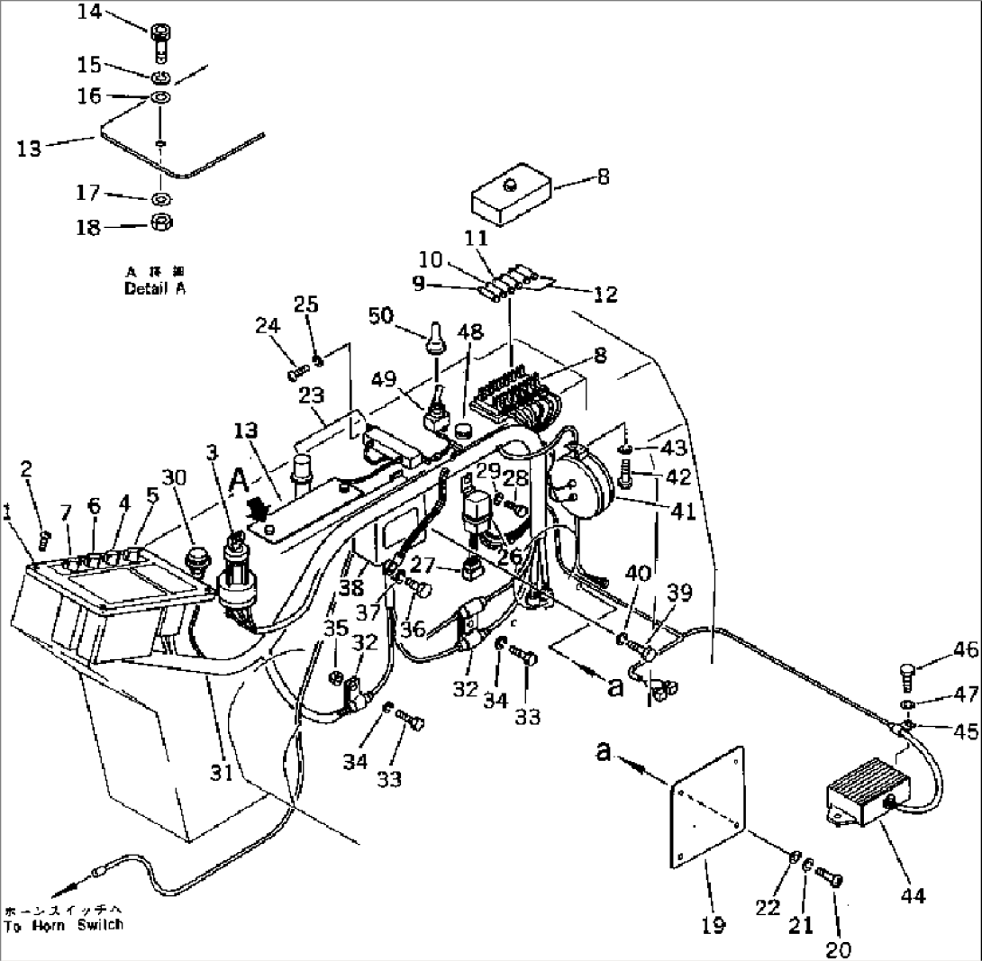
| Item | Part No. | Part Name | Qty | Serial No. |
| 1 | (7861-21-1100) | PANEL ASS'Y | 12001-@ | |
| 2 | 01220-40616 | SCREW | 12001-@ | |
| 3 | 201-06-21510 | SWITCH,STARTING | 12001-@ | |
| 4 | 205-06-71331 | SWITCH,LAMP | 12001-@ | |
| 5 | 205-06-71341 | SWITCH,WIPER | 12001-@ | |
| 6 | 205-06-71321 | SWITCH,HEATER | 12001-@ | |
| 7 | 205-06-71311 | SWITCH,MODE | 12001-@ | |
| 8 | 203-06-41540 | BOX,FUSE | 12001-12199 | |
| 9 | 08040-04000 | FUSE, 40A | 12001-12199 | |
| 10 | 08040-03000 | FUSE, 30A | 12001-12199 | |
| 11 | 08040-02000 | FUSE, 20A | 12001-12199 | |
| 12 | 08040-01000 | FUSE, 10A | 12001-12199 | |
| 13 | 203-06-31160 | PLATE | 12001-@ | |
| 14 | 205-06-62170 | BOLT | 12001-@ | |
| 15 | 205-06-62180 | WASHER,SPRING | 12001-@ | |
| 16 | 205-06-62190 | WASHER | 12001-@ | |
| 17 | 145-Z79-6630 | WASHER | 12001-@ | |
| 18 | 01580-10403 | NUT | 12001-@ | |
| 19 | 203-06-41840 | PLATE | 12001-@ | |
| 20 | 01220-40410 | SCREW | 12001-@ | |
| 21 | 01601-20410 | WASHER,SPRING | 12001-@ | |
| 22 | 01641-20405 | WASHER | 12001-@ | |
| 23 | 203-06-41930 | LIGHTER | 12200-@ | |
| 23 | \0\195-822-6151 | LIGHTER | 12001-12199 | |
| 24 | 01220-40412 | SCREW | 12001-@ | |
| 25 | 01601-20410 | WASHER,SPRING | 12001-@ | |
| 26 | 22W-06-13450 | RELAY ASS'Y | 12001-12199 | |
| 27 | 22W-06-13590 | DIODE | 12001-12199 | |
| 28 | 01010-50612 | BOLT | 12001-12199 | |
| 29 | 01602-20619 | WASHER,SPRING | 12001-12199 | |
| 30 | 203-06-41810 | LAMP | 12001-@ | |
| 30 | 08111-02430 | BULB, 3W | 12001-@ | |
| 31 | 203-06-41514 | WIRE ASS'Y | 12031-12199 | |
| 31 | 203-06-41513 | WIRE ASS'Y | 12001-12030 | |
| 32 | 08036-01814 | CLIP | 12001-12199 | |
| 33 | 01010-51016 | BOLT | 12001-@ | |
| 34 | 01602-21030 | WASHER,SPRING | 12001-@ | |
| 35 | 01571-01016 | SEAT | 12001-12199 | |
| 36 | 01010-50610 | BOLT | 12001-@ | |
| 37 | 01602-20619 | WASHER,SPRING | 12001-@ | |
| 38 | 7861-01-3000 | CONTROLLER ASS'Y | 12001-@ | |
| 39 | 01010-50612 | BOLT | 12001-@ | |
| 40 | 01602-20619 | WASHER,SPRING | 12001-@ | |
| 41 | 203-06-41920 | BUZZER | 12200-@ | |
| 41 | \0\175-06-51210 | BUZZER | 12001-12199 | |
| 42 | 01220-40612 | SCREW | 12001-@ | |
| 43 | 01602-20619 | WASHER,SPRING | 12001-@ | |
| 44 | 203-06-41790 | RESISTOR | 12001-@ | |
| 45 | 08036-01814 | CLIP | 12001-12199 | |
| 46 | 01010-50816 | BOLT | 12001-@ | |
| 47 | 01643-30823 | WASHER | 12001-@ | |
| 48 | 09415-00706 | CAP | 12001-@ | |
| 49 | 203-06-41570 | SWITCH,PARKING AND SWING BRAKE | 12001-@ | |
| 50 | 203-06-41680 | CAP | 12001-@ |
