
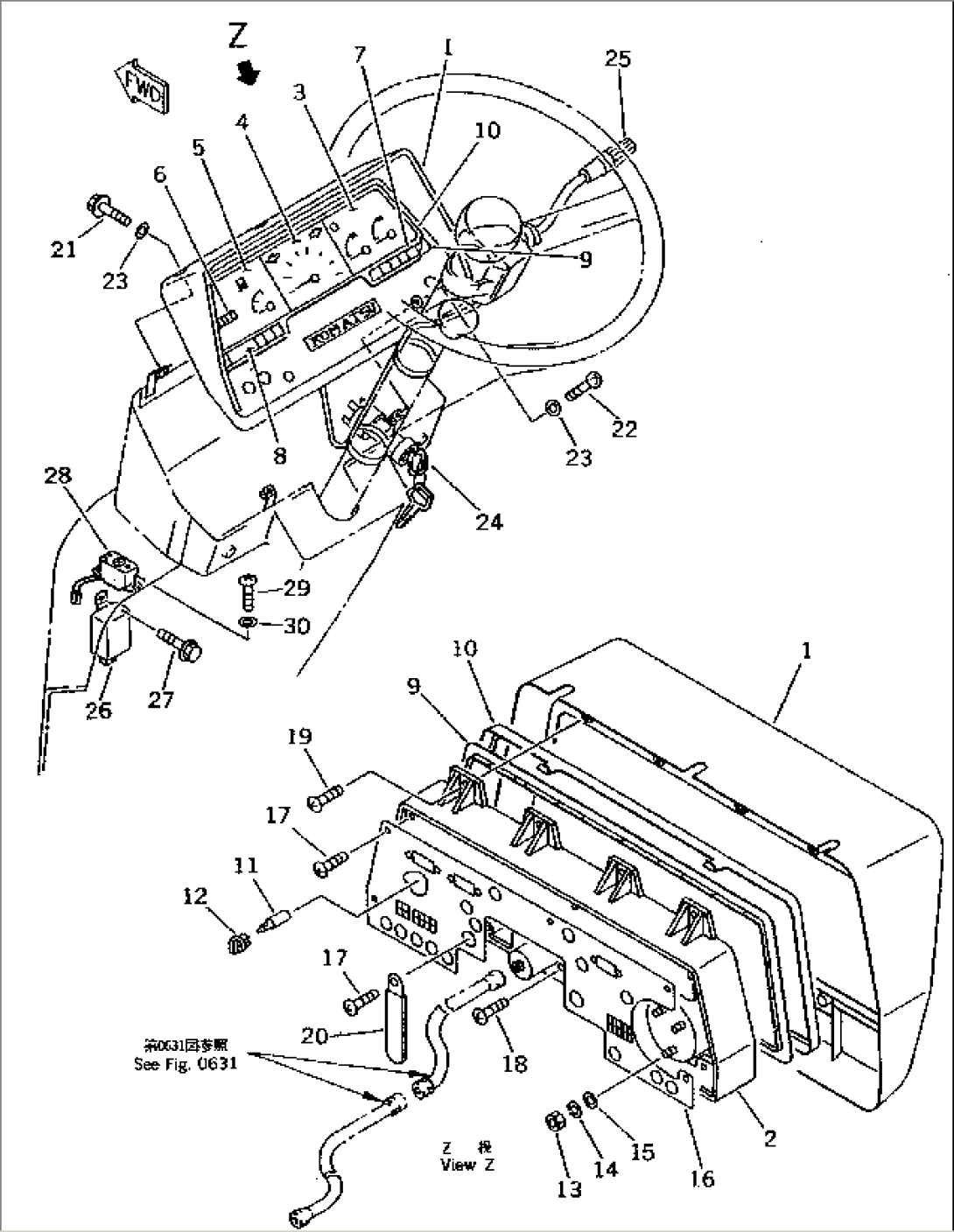
| Item | Part No. | Part Name | Qty | Serial No. |
| 363-06-35110 | PANEL ASS'Y | 10001-13419 | ||
| 1 | 363-06-35370 | PANEL | 10001-13419 | |
| 2 | 42A-06-15221 | HOUSING | 10001-13419 | |
| 3 | 363-06-35310 | GAUGE,TEMPERATURE | 10001-13419 | |
| 4 | 363-06-35320 | TACHOMETER | 10001-@ | |
| 5 | 363-06-35380 | GAUGE,FUEL | 10001-13419 | |
| 6 | 42A-06-15320 | METER,SERVICE | 10001-@ | |
| 7 | 363-06-35330 | LENS | 10001-13419 | |
| 8 | 363-06-35340 | LENS | 10001-13419 | |
| 9 | 42A-06-15280 | PLATE,SHADOW | 10001-@ | |
| 10 | 42A-06-15290 | COVER,FRONT | 10001-@ | |
| 11 | 363-06-35390 | BULB¤ 1.4W | 10001-13419 | |
| 12 | 363-06-35360 | SOCKET | 10001-@ | |
| 13 | 01580-10302 | NUT | 10001-@ | |
| 14 | 01601-20307 | WASHER,SPRING | 10001-@ | |
| 15 | 01641-20305 | WASHER | 10001-@ | |
| 16 | 363-06-35350 | PLATE,PRINT | 10001-@ | |
| 17 | 01370-00412 | SCREW | 10001-13419 | |
| 18 | 01023-10408 | SCREW | 10001-@ | |
| 19 | 42A-06-15350 | SCREW | 10001-13419 | |
| 20 | 42A-06-15340 | CLIP | 10001-13419 | |
| 21 | 363-06-35410 | BOLT | 10001-@ | |
| 22 | 01220-70616 | SCREW | 10001-@ | |
| 23 | 01642-40608 | WASHER | 10001-@ | |
| 24 | 363-06-31110 | SWITCH,STARTING | 10001-@ | |
| 25 | 363-06-31140 | SWITCH,COMBINATION | 10001-@ | |
| 26 | 363-06-31240 | FLASHER | 12581-@ | |
| 08077-21201 | FLASHER | 10001-12580 | ||
| 27 | 01435-00610 | BOLT | 10001-@ | |
| 28 | 363-06-31150 | BUZZER | 10001-@ | |
| 29 | 01023-10414 | SCREW | 10001-@ | |
| 30 | 01641-00405 | WASHER | 10001-@ |
