Ваш браузер устарел. Этот сайт может работать неполноценно или выглядеть сломанным. Обновите ваш браузер, если можете.

Поиск по каталогу

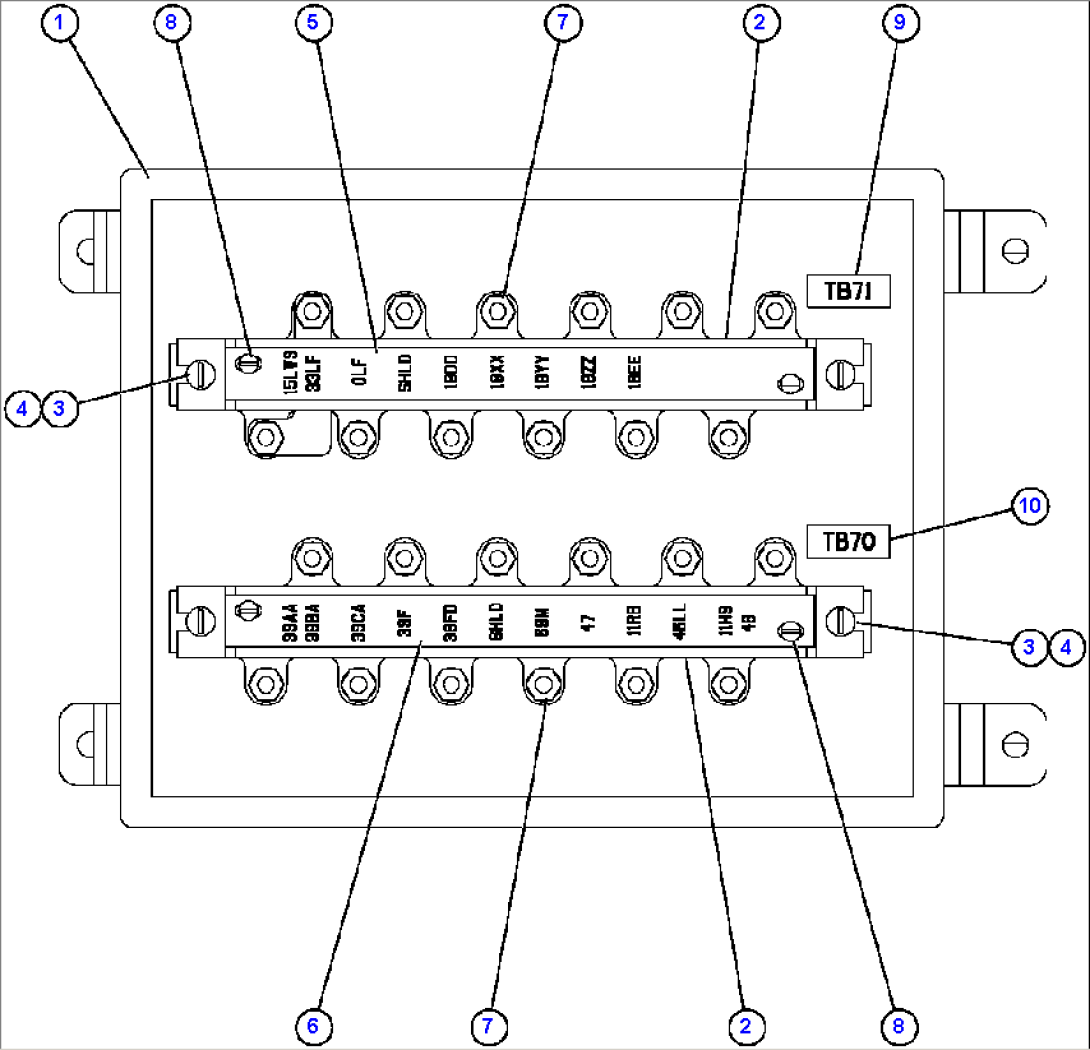
JUNCTION BOX ASSEMBLY - L.H. (EK5822)

JUNCTION BOX ASSEMBLY - L.H. (EK5822)
ItemPart No.Part NameQtySerial No.
1EK1411BOX W/COVER
2VS8479BOARD, TERMINAL
3VF2231MACHINE SCREW - #10 - 24NC X 3/8"
4DC3101LOCKWASHER - #10
5WB1243STRIP, CIRCUIT ID
6WB1242STRIP, CIRCUIT ID
7WA3367NUT ASSEMBLY
8VM2951SCREW, SELF-TAPPING - #6 - 32NC X 5/16"
9WB1245NAME PLATE - TB71
10WB1244NAME PLATE - TB70
Вернуться в каталог

Заявка

Обратная связь