Ваш браузер устарел. Этот сайт может работать неполноценно или выглядеть сломанным. Обновите ваш браузер, если можете.
Наличие
Каталог запчастей
Контакты
+7 (423) 222-39-13
sharahov.komdir@vladremsnab.ru
Обратная связь
RU
EN
Наличие
Каталог запчастей
Контакты
+7 (423) 222-39-13
sharahov.komdir@vladremsnab.ru
RU
EN
Обратная связь
Главная
Каталог запчастей
Самосвалы
Afe59 ab 930e 4 s/n a30567 (elk valley coal)
Options & miscellaneous group
Junction box assembly l.h. (ek5822)
Поиск по каталогу
Найти!
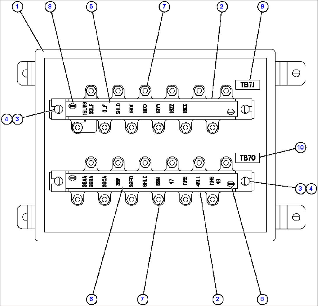
JUNCTION BOX ASSEMBLY - L.H. (EK5822)
Item
Part No.
Part Name
Qty
Serial No.
1
EK1411
BOX W/COVER
2
VS8479
BOARD, TERMINAL
3
VF2231
MACHINE SCREW - #10 - 24NC X 3/8"
4
DC3101
LOCKWASHER - #10
5
WB1243
STRIP, CIRCUIT ID
6
WB1242
STRIP, CIRCUIT ID
7
WA3367
NUT ASSEMBLY
8
VM2951
SCREW, SELF-TAPPING - #6 - 32NC X 5/16"
9
WB1245
NAME PLATE - TB71
10
WB1244
NAME PLATE - TB70
Вернуться в каталог
Оформить заказ
auto
light
dark
Заявка
Имя
Телефон
Эл. почта
Товары в корзине:
Сообщение
Нажимая кнопку «Отправить», вы соглашаетесь с
пользовательским соглашением
и
политикой конфеденциальности
Отправить
Обратная связь
Имя
Телефон
Эл. почта
Сообщение
Нажимая кнопку «Отправить», вы соглашаетесь с
пользовательским соглашением
и
политикой конфеденциальности
Отправить