
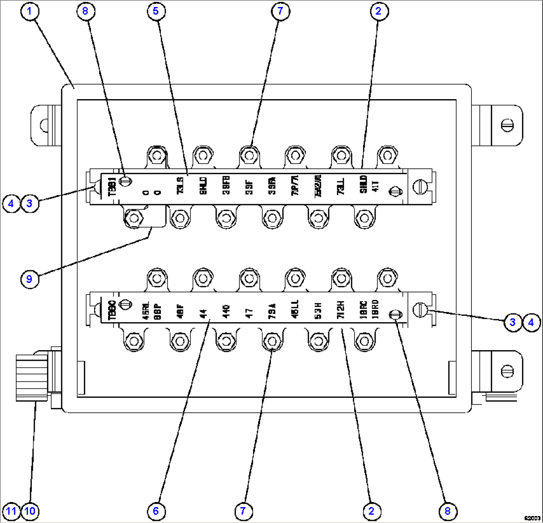
Item | Part No. | Part Name | Qty | Serial No. |
1 | EK1411 | BOX W/COVER | ||
2 | VS8479 | BOARD, TERMINAL | ||
3 | VF2231 | MACHINE SCREW - #10 - 24NC X 3/8" | ||
4 | DC3101 | LOCKWASHER - #10 | ||
5 | WB3724 | STRIP, CIRCUIT ID | ||
6 | WB3732 | STRIP, CIRCUIT ID | ||
7 | WA3367 | NUT ASSEMBLY | ||
8 | VM2951 | SCREW, SELF-TAPPING - #6 - 32NC X 5/16" | ||
9 | EB7418 | BAR, BUS | ||
10 | VZ3046 | CORD GRIP | ||
11 | VM5587 | LOCKNUT, CONDULET - 1/2" |