
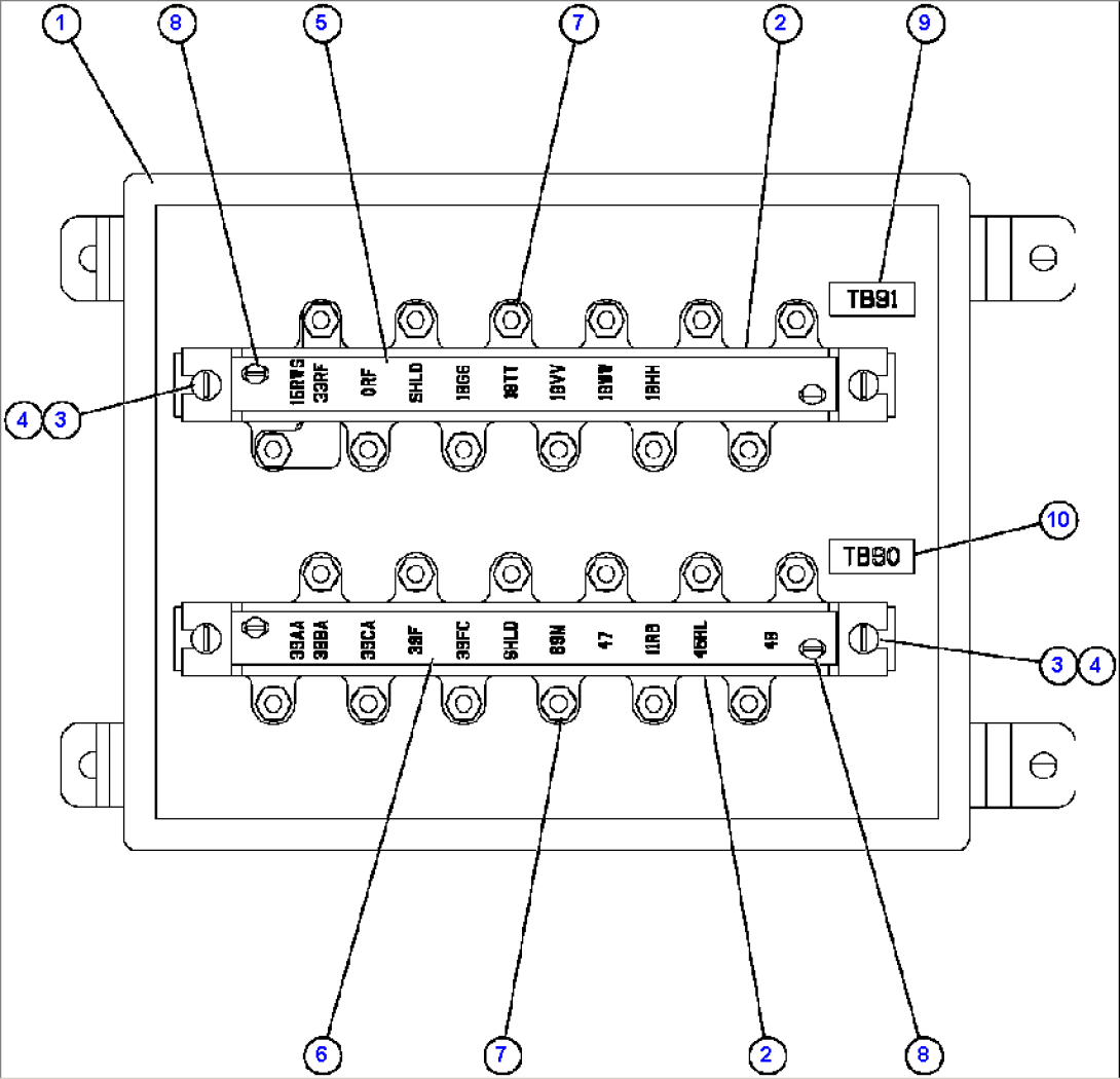
| Item | Part No. | Part Name | Qty | Serial No. |
| 1 | EK1411 | BOX W/COVER | ||
| 2 | VS8479 | BOARD, TERMINAL | ||
| 3 | VF2231 | MACHINE SCREW - #10 - 24NC X 3/8" | ||
| 4 | DC3101 | LOCKWASHER - #10 | ||
| 5 | WB1247 | STRIP, CIRCUIT ID | ||
| 6 | WB1246 | STRIP, CIRCUIT ID | ||
| 7 | WA3367 | NUT ASSEMBLY | ||
| 8 | VM2951 | SCREW, SELF-TAPPING - #6 - 32NC X 5/16" | ||
| 9 | WB1249 | NAME PLATE - TB91 | ||
| 10 | WB1248 | NAME PLATE - TB90 |
