
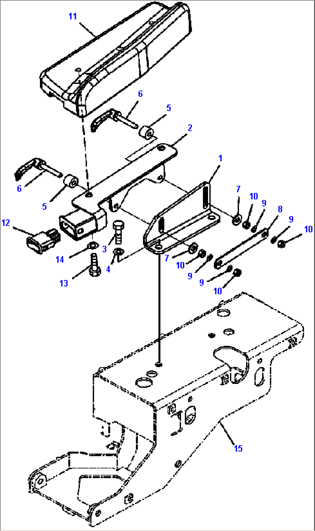
| Item | Part No. | Part Name | Qty | Serial No. |
| 1 | 425-S33-3450 | BRACKET | A53001-- | |
| 2 | 425-S33-3440 | BRACKET | A53001-- | |
| 3 | 01010-81025 | BOLT | A53001-- | |
| 4 | (NSS) | WASHER | A53001-- | |
| 5 | 425-43-31110 | SPACER | A53001-- | |
| 6 | 423-43-38170 | LEVER | A53001-- | |
| 7 | 154-61-16570 | WASHER | A53001-- | |
| 8 | 425-S33-3470 | PLATE | A53001-- | |
| 9 | 01643-30823 | WASHER | A53001-- | |
| 10 | 01580-10806 | NUT | A53001-- | |
| 11 | 425-S33-3352 | ARMREST | A53001-- | |
| 12 | 423-06-45580 | SWITCH | A53001-- | |
| 13 | 01010-D1020 | BOLT | A53001-- | |
| 14 | (NSS) | WASHER | A53001-- | |
| 15 | BRACKET (SEE FIG. K0110-02A1) | A53001-- |
