
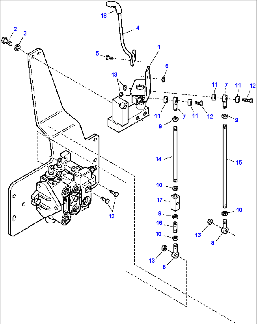
| Item | Part No. | Part Name | Qty | Serial No. |
| 1 | 42N-43-14180 | JOINT, BALL | A13001-- | |
| 2 | 01010-81030 | BOLT | A13001-- | |
| 3 | 01643-31032 | WASHER | A13001-- | |
| 4 | 42N-43-14282 | LEVER | A13001-- | |
| 5 | 01010-80820 | BOLT | A13001-- | |
| 6 | 22E-09-13330 | NUT, STOP | A13001-- | |
| 7 | 04250-81056 | END, ROD | A13001-- | |
| 8 | 04250-91056 | END, ROD (LH THREADS) | A13001-- | |
| 9 | 01582-11008 | NUT | A13001-- | |
| 10 | 01508-41006 | NUT | A13001-- | |
| 11 | 42N-43-14890 | SPACER | A13001-- | |
| 12 | 01016-51040 | BOLT | A13001-- | |
| 13 | 01598-01011 | NUT | A13001-- | |
| 14 | 42N-43-14370 | TIE-ROD | A13001-- | |
| 15 | 42N-43-14211 | TIE-ROD | A13001-- | |
| 16 | 42N-43-14230 | TIE-ROD | A13001-- | |
| 17 | 42N-43-14240 | PLATE | A13001-- | |
| 18 | 42N-06-15710 | KNOB, LOADER CONTROL | A13001-- |
