
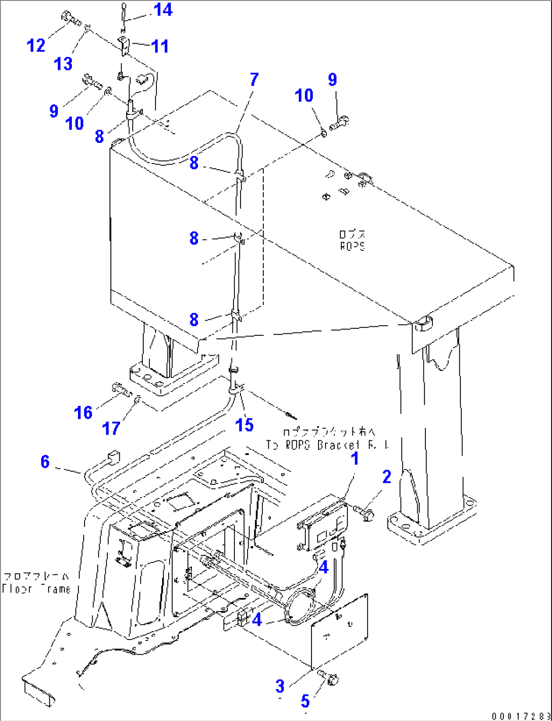
| Item | Part No. | Part Name | Qty | Serial No. |
| 1 | 7826-20-7023 | CONTROLLER | 25294- | |
| 1 | \0\7826-20-7012 | CONTROLLER | 25124-25293 | |
| 1 | \0\7826-20-7010 | CONTROLLER | 25021-25123 | |
| 2 | 01435-00825 | BOLT | 25021- | |
| 3 | 17M-54-46520 | COVER | 25021- | |
| 4 | 08034-20414 | BAND | 25021- | |
| 5 | 01435-00825 | BOLT | 25021- | |
| 6 | 17M-06-41640 | WIRING HARNESS | 25021- | |
| 7 | 17M-06-41622 | WIRING HARNESS | 26038- | |
| 7 | \1\17M-06-41621 | WIRING HARNESS | 25294-26037 | |
| 7 | 17M-06-41620 | WIRING HARNESS | 25021-25293 | |
| 8 | 04434-51408 | CLIP | 25021- | |
| 9 | 01010-80816 | BOLT | 25021- | |
| 10 | 01643-30823 | WASHER | 25021- | |
| 11 | 17M-54-46470 | BRACKET | 25021- | |
| 12 | 01010-81016 | BOLT | 25021- | |
| 13 | 01643-31032 | WASHER | 25021- | |
| 14 | 8A13-10-2100 | ANTENNA | 25021- | |
| 15 | 04434-51408 | CLIP | 25021- | |
| 16 | 01010-80816 | BOLT | 25021- | |
| 17 | 01643-30823 | WASHER | 25021- |
