
| Item | Part No. | Part Name | Qty | Serial No. |
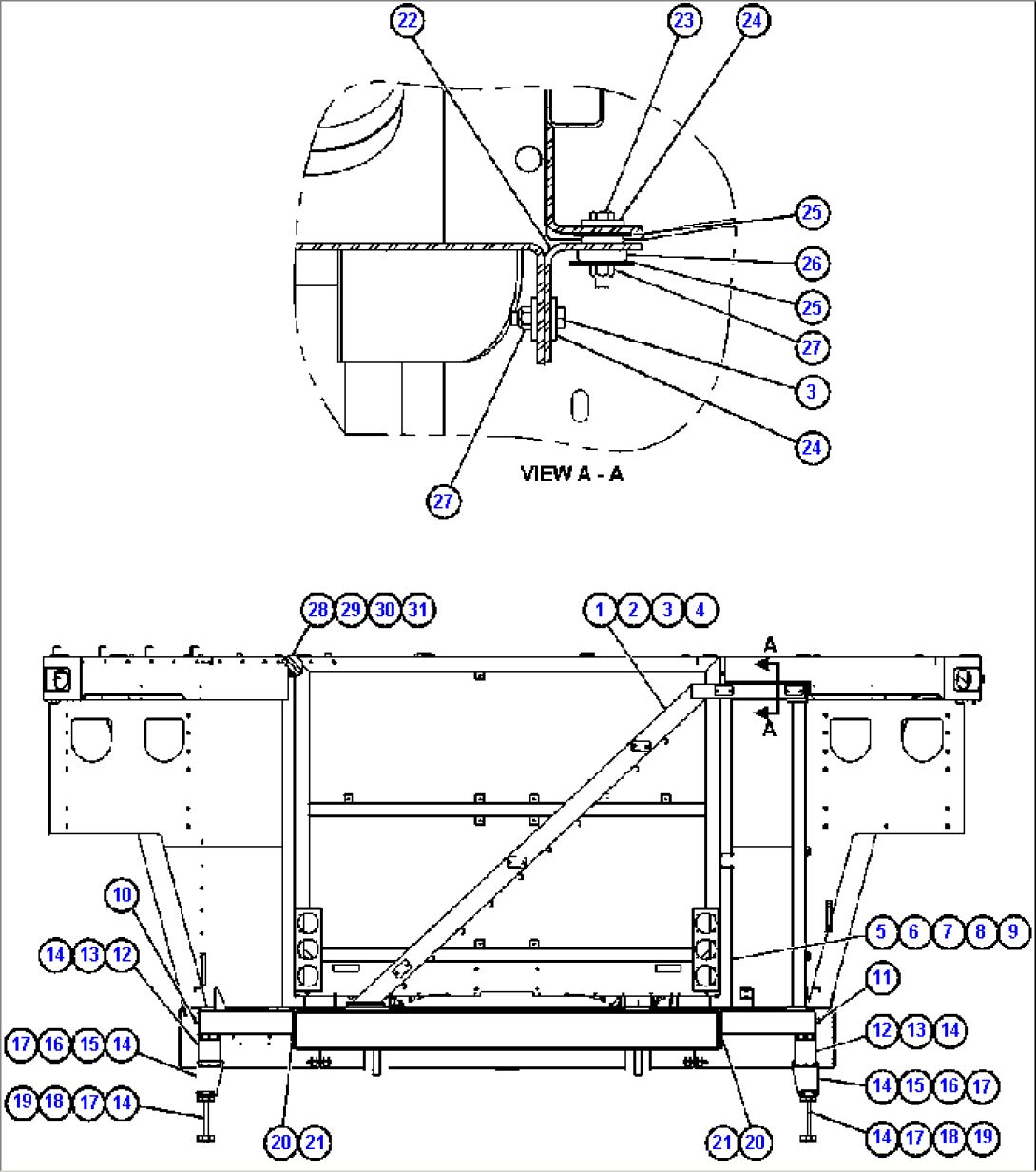
| 1 | EK6622 | LADDER, DIAGONAL (STAIRS) | ||
| 2 | EJ6571 | SHIM - 0.001" | ||
| 3 | MM0620 | CAPSCREW - M12 X 1.75 X 40 | ||
| 4 | MM0714 | FLATWASHER, HARDENED - M12 | ||
| 5 | EK6625 | SUPPORT, LADDER | ||
| 6 | EJ7292 | SHIM - 0.001" | ||
| 7 | MM0023 | CAPSCREW - M14 X 2.00 X 30 | ||
| 8 | MM0028 | CAPSCREW - M14 X 2.00 X 35 | ||
| 9 | MM0463 | FLATWASHER - M14 | ||
| 10 | EJ6523 | PLATFORM - R.H. | ||
| 11 | EJ6524 | PLATFORM - L.H. | ||
| 12 | ED1035 | STEP | ||
| 13 | TG5720 | CAPSCREW - 3/8" - 16 X 1" G5 ZINC | ||
| 14 | HE5611 | LOCKNUT - 3/8" - 16NC | ||
| 15 | EC7230 | BAR | ||
| 16 | EC6554 | STRAP | ||
| 17 | VC8762 | CAPSCREW - 3/8" - 16NC X 1-1/2" (ZINC) | ||
| 18 | EB2102 | BAR | ||
| 19 | EC6553 | STEP | ||
| 20 | TV1748 | CAPSCREW - 5/8" - 11NC X 1-1/2" | ||
| 21 | WA4729 | FLATWASHER, HARDENED - 5/8" | ||
| 22 | EJ7481 | PLATE, MOUNTING | ||
| 23 | MM0623 | CAPSCREW - M12 X 1.75 X 60 | ||
| 24 | EJ7499 | WASHER (SPECIAL) | ||
| 25 | DA0557 | WASHER (SPECIAL) | ||
| 26 | WA2587 | MOUNT, RUBBER | ||
| 27 | MM0694 | LOCKNUT - M12 X 1.75 | ||
| 28 | AK7503 | BACK-UP LIGHT ASSEMBLY (SEE FIG 41751) | ||
| 29 | EJ7911 | HARNESS, LADDER/ENGINE SHUTDOWN | ||
| 30 | TD0794 | CAPSCREW - 5/16" - 18NC X 3/4" | ||
| 31 | SC4174 | LOCKWASHER - 5/16" |
