
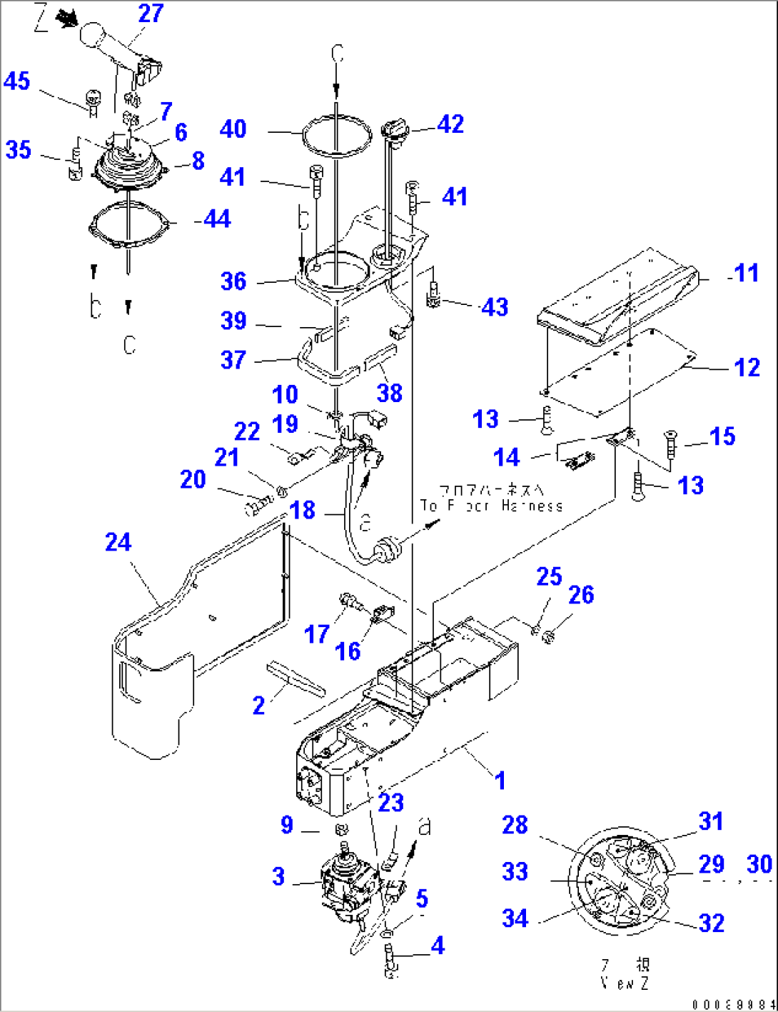
| Item | Part No. | Part Name | Qty | Serial No. |
| 1 | 14X-43-34351 | BOX | 20001- | |
| 2 | 14X-54-38340 | SHEET (BONDED) | 20001- | |
| 3 | (702-16-02213) | LEVER ASS'Y,(SEE FIG. Y1679-01A1) | 20001- | |
| 4 | 01252-70825 | BOLT | 20001- | |
| 5 | 01643-30823 | WASHER | 20001- | |
| 14X-06-31311 | WIRING HARNESS | 20001- | ||
| 6 | 154-43-73531 | BRACKET | 20001- | |
| 7 | 154-43-73560 | WIRING HARNESS | 20001- | |
| 8 | 14X-43-34331 | BOOT | 20001- | |
| 9 | 20T-43-71190 | NUT | 20001- | |
| 10 | 08034-20519 | BAND | 20001- | |
| 154-43-73641 | PAD | 20001- | ||
| 11 | 19M-43-33630 | PAD | 20001- | |
| 12 | 154-43-73631 | PLATE | 20001- | |
| 13 | 01224-70408 | SCREW | 20001- | |
| 14 | 19M-43-33660 | HINGE | 20001- | |
| 15 | 01224-70408 | SCREW | 20001- | |
| 16 | 154-43-73651 | MAGNET | 20001- | |
| 17 | 01023-10308 | SCREW | 20001- | |
| 18 | 14X-06-31281 | WIRING HARNESS | 20001- | |
| 19 | 04435-51408 | CLIP | 20001- | |
| 20 | 01010-80816 | BOLT | 20001- | |
| 21 | 01643-30823 | WASHER | 20001- | |
| 22 | 08193-20010 | CLIP | 20001- | |
| 23 | 08193-31012 | CLIP | 20001- | |
| 24 | 14X-43-34390 | PAD | 20001- | |
| 25 | 01640-20610 | WASHER | 20001- | |
| 26 | 01580-20605 | NUT | 20001- | |
| 27 | 19M-43-33111 | KNOB ASS'Y | 20001- | |
| 28 | 19M-09-11510 | BOLT | 20001- | |
| 29 | 19M-43-33141 | SWITCH ASS'Y | 20001- | |
| 30 | 19M-43-33171 | PLATE | 20001- | |
| 31 | 19M-43-33460 | SWITCH | 20001- | |
| 32 | 19M-43-33470 | SWITCH | 20001- | |
| 33 | 19M-43-33151 | RUBBER | 20001- | |
| 34 | 19M-43-33161 | COVER | 20001- | |
| 35 | 01252-80514 | BOLT | 20001- | |
| 14X-43-34320 | FINISHER | 20001- | ||
| 36 | 154-43-73620 | FINISHER | 20001- | |
| 37 | 14X-54-38310 | SHEET (BONDED) | 20001- | |
| 38 | 14X-54-38320 | SHEET (BONDED) | 20001- | |
| 39 | 14X-54-38330 | SHEET (BONDED) | 20001- | |
| 40 | 14X-54-38350 | SHEET (BONDED) | 20001- | |
| 41 | 01252-70520 | BOLT | 20001- | |
| 42 | 14X-06-31501 | DIAL,FUEL | 20001- | |
| 43 | 01023-60410 | SCREW | 20001- | |
| 44 | 14X-43-34341 | COVER | 20001- | |
| 45 | 01023-70414 | SCREW | 20001- |
