
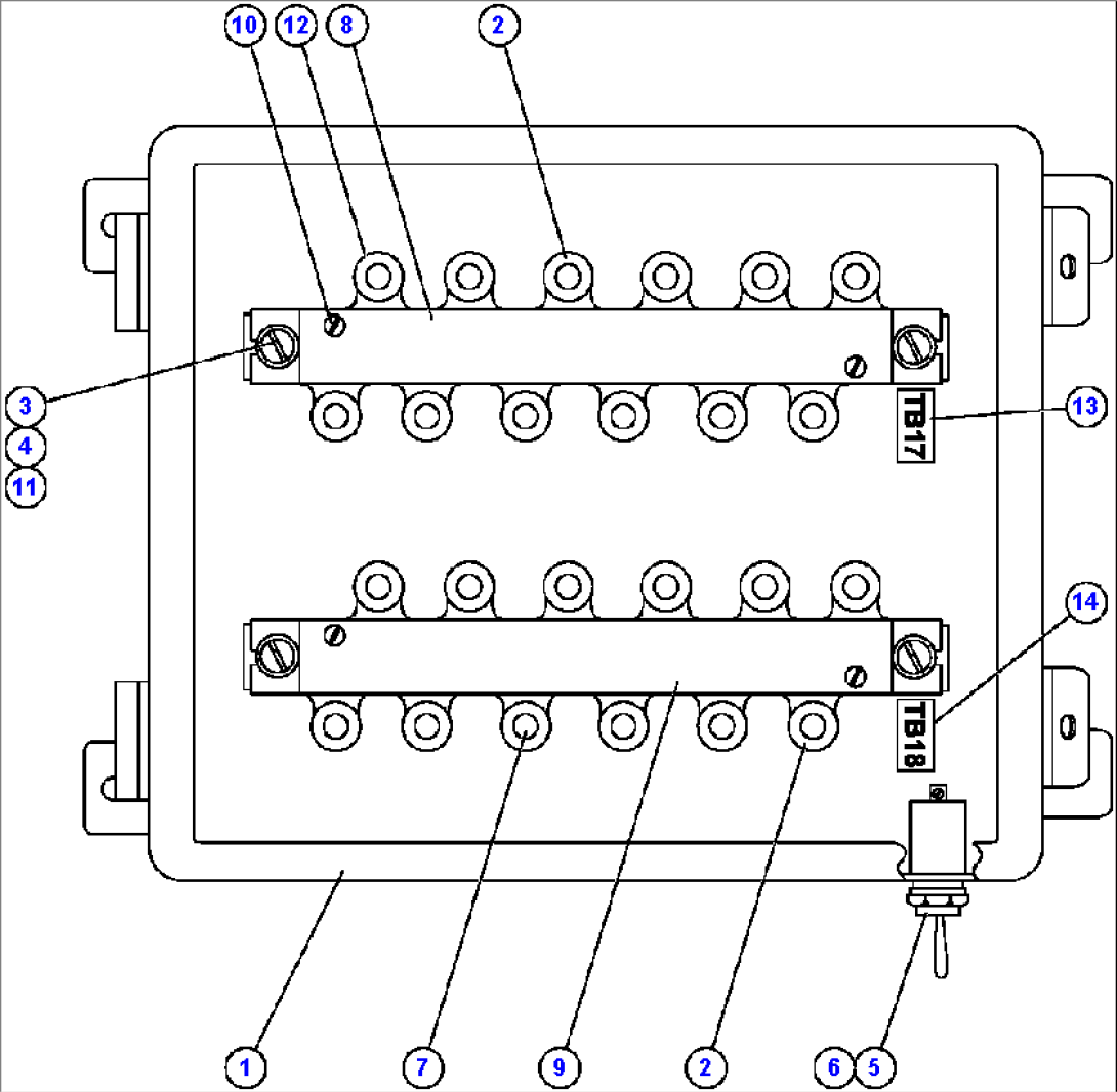
| Item | Part No. | Part Name | Qty | Serial No. |
| 0 | EK9842 | JUNCTION BOX ASSEMBLY - L.H. | ||
| 1 | TZ0549 | BOX | ||
| 2 | VS8479 | BOARD, TERMINAL | ||
| 3 | VF2231 | MACHINE SCREW - #10 - 24NC X 3/8" | ||
| 4 | DC3101 | LOCKWASHER - #10 - 24NC X 3/8" | ||
| 5 | SR8325 | SWITCH, TOGGLE | ||
| 6 | PB3324 | BOOT, TOGGLE SWITCH | ||
| 7 | WA3367 | NUT ASSEMBLY | ||
| 8 | WB1296 | STRIP, CIRCUIT I.D. | ||
| 9 | WB1297 | STRIP, CIRCUIT I.D. | ||
| 10 | VM2951 | SCREW, SELF-TAPPING - #6 - 32NC x 5/16" | ||
| 11 | VC5344 | FLAT WASHER - #10 | ||
| 12 | EB7418 | BUS BAR | ||
| 13 | WB3086 | PLATE, NAME - TB17 | ||
| 14 | WB3087 | PLATE, NAME - TB18 |
