
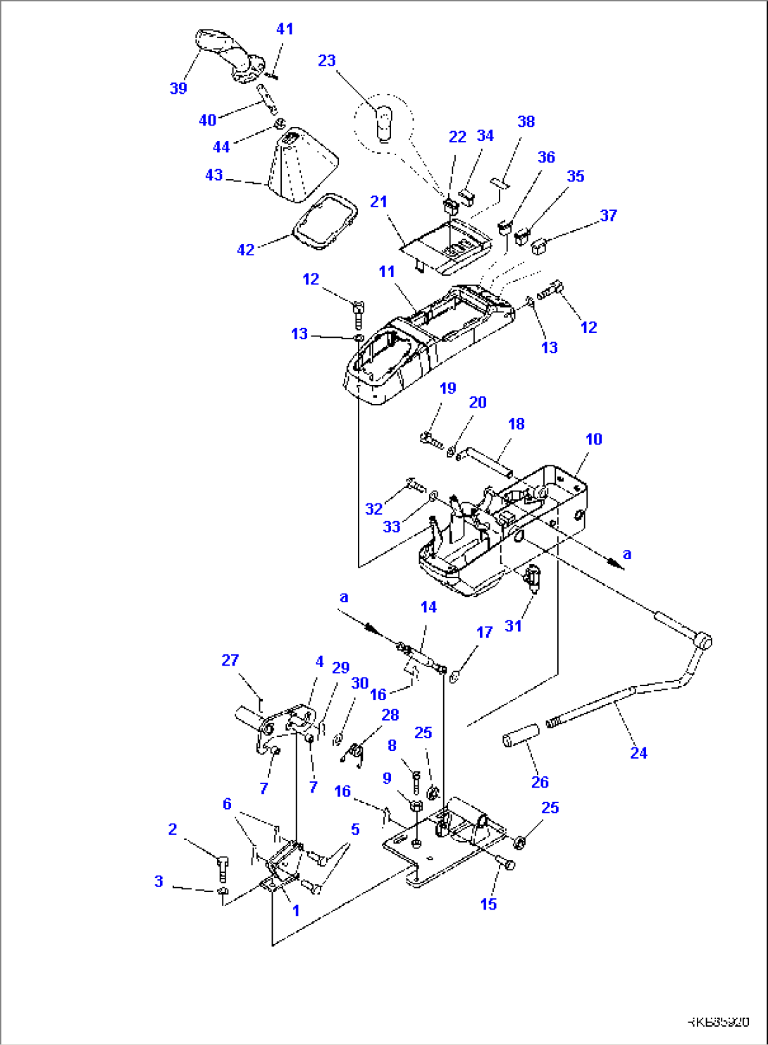
| Item | Part No. | Part Name | Qty | Serial No. |
| 1 | 22M-43-21291 | STOPPER | F30003- | |
| 2 | 01010-D0820 | BOLT | F30003- | |
| 3 | 01643-10823 | WASHER | F30003- | |
| 4 | 22M-43-R1551 | GUIDE | F30003- | |
| 5 | 04205-10830 | PIN | F30003- | |
| 6 | 04050-12015 | PIN, COTTER | F30003- | |
| 7 | 21U-43-32430 | BUSHING | F30003- | |
| 8 | 22B-54-15560 | STOPPER | F30003- | |
| 9 | 01580-11008 | NUT | F30003- | |
| 10 | 22M-43-R1111 | BRACKET | F30003- | |
| 11 | 2A1-54-13190 | PANEL, L.H. | F30003- | |
| 12 | 01252-70616 | BOLT | F30003- | |
| 13 | 01643-10623 | WASHER | F30003- | |
| 14 | 22M-43-21660 | GAS SPRING | F30003- | |
| 15 | 04205-30822 | PIN | F30003- | |
| 16 | 37A-09-4Z028 | PIN, COTTER | F30003- | |
| 17 | 01643-10823 | WASHER | F30003- | |
| 18 | 22M-43-21151 | PIN | F30003- | |
| 19 | 01010-D0612 | BOLT | F30003- | |
| 20 | 01643-10623 | WASHER | F30003- | |
| 21 | 22J-54-R6131 | COVER | F30003- | |
| 22 | 2A1-06-11210 | SWITCH, WORKING LIGHT | F30003-F30680 | |
| 22 | 2A1-06-11211 | SWITCH, WORKING LIGHT | F30681- | |
| 23 | 22L-09-R3Q10 | BULB 30MA 12V | F30003-F30680 | |
| 23 | 22L-09-R3Q10 | BULB 30MA 12V | F30681- | |
| 23 | 22L-09-R3Q30 | BULB 1,2W 12V | F30003-F30680 | |
| 24 | 22M-43-R1542 | LEVER, L.H. | F30003- | |
| 25 | 06124-01616 | BEARING, NEEDLE | F30003- | |
| 26 | 22L-09-R7540 | KNOB | F30003- | |
| 27 | 37A-09-4P119 | PIN, SPRING | F30003- | |
| 28 | 22M-43-21560 | SPRING | F30003- | |
| 29 | 37A-09-4Z028 | PIN, COTTER | F30003- | |
| 30 | 01643-10823 | WASHER | F30003- | |
| 31 | 22M-43-21170 | SWITCH, ASSY. | F30003- | |
| 32 | 37A-09-1W059 | SCREW | F30003- | |
| 33 | 01643-10623 | WASHER | F30003- | |
| 34 | 2A1-06-11711 | CAP, SWITCH | F30003- | |
| 35 | 22F-06-32710 | SWITCH | F30003- | |
| 36 | 22F-06-32641 | SWITCH | F30003- | |
| 37 | 2A1-06-11711 | CAP, SWITCH | F30003- | |
| 38 | 2A1-98-11290 | PLATE | F30003- | |
| \38.99 | 2A1-43-11100 | LEVER, ASSEMBLY | F30003- | |
| 39 | 22F-43-31850 | LEVER | F30003- | |
| 40 | 2A1-43-11110 | LEVER | F30003- | |
| 41 | 22F-43-31890 | PIN | F30003- | |
| 42 | 20Y-43-22250 | COLLAR | F30003- | |
| 43 | 22F-43-31880 | BOOT | F30003- | |
| 44 | 37A-09-2P410 | NUT | F30003- |
