
Item | Part No. | Part Name | Qty | Serial No. |
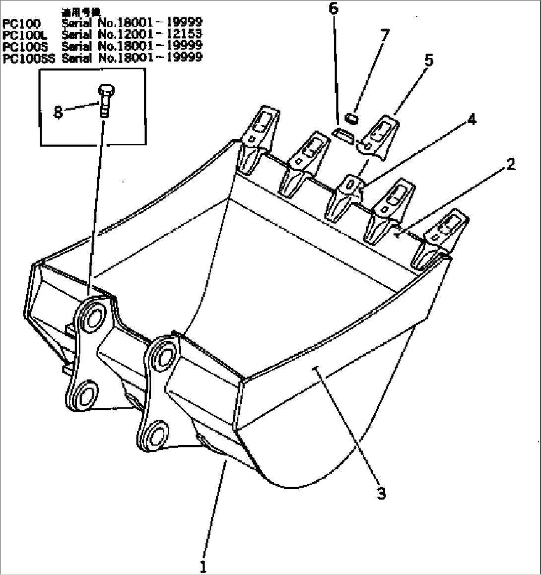
203-920-0022 | BUCKET ASS'Y | 20701- | ||
\0\203-920-0021 | BUCKET ASS'Y | .-20700 | ||
\0\203-920-0020 | BUCKET ASS'Y | 18001-. | ||
1 | 203-920-4112 | BUCKET | 20701- | |
203-920-4111 | BUCKET | .-20700 | ||
203-920-4110 | BUCKET | 18001-. | ||
2 | 203-920-4131 | PLATE (WELDED) | 20701- | |
203-920-4130 | PLATE (WELDED) | 18001-20700 | ||
3 | 203-920-4150 | PLATE,L.H. (WELDED) | 20701- | |
203-920-4122 | PLATE,R.H. (WELDED) | 20701- | ||
203-920-4121 | PLATE (WELDED) | 18001-20700 | ||
4 | 203-70-43191 | ADAPTER (WELDED) | 20701- | |
203-70-43190 | ADAPTER (WELDED) | 18001-20700 | ||
5 | 203-70-43180 | TOOTH | 18001- | |
6 | 203-70-43212 | PIN | 20701- | |
\0\203-70-43211 | PIN | .-20700 | ||
\0\203-70-43210 | PIN | 18001-. | ||
7 | 203-70-43220 | PIN | 18001- | |
8 | 01011-51640 | BOLT | 18001-. |