
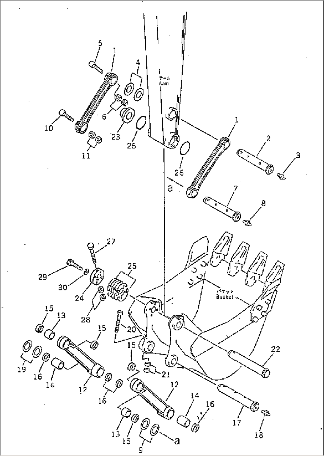
| Item | Part No. | Part Name | Qty | Serial No. | 
| 1 | 203-70-44490 | LINK,L.H. | 1601-2300 | |
| 203-70-44510 | LINK,R.H. | 1601-2300 | ||
| 2 | 203-70-44350 | PIN | 1601-2300 | |
| 3 | 07020-00000 | FITTING,GREASE | 1601-@ | |
| 4 | 203-70-24150 | SPACER¤ 1.0MM | 1601-@ | |
| 203-70-24160 | SPACER¤ 2.0MM | 1601-@ | ||
| 5 | 01019-11620 | BOLT | 1601-2300 | |
| 6 | 01580-11613 | NUT | 1601-@ | |
| 7 | 203-70-44360 | PIN | 1601-2300 | |
| 8 | 07020-00000 | FITTING,GREASE | 1601-@ | |
| 9 | 202-70-48460 | SPACER¤ 1.0MM | 1601-@ | |
| 10 | 01019-11620 | BOLT | 1601-2300 | |
| 11 | 01580-11613 | NUT | 1601-@ | |
| 203-70-00142 | LINK ASS'Y | 1862-2300 | ||
| \0\203-70-00141 | LINK ASS'Y | 1601-1861 | ||
| 12 | \6\ | LINK | 1601-2300 | |
| 13 | 203-70-44331 | BUSHING | 1862-@ | |
| \0\203-70-44330 | BUSHING | 1601-1861 | ||
| 14 | 203-70-33150 | BUSHING | 1601-2300 | |
| 15 | 203-70-44230 | SEAL,DUST | 1601-2300 | |
| 16 | 203-70-33210 | SEAL,DUST | 1601-2300 | |
| 17 | 203-70-44371 | PIN | 1862-2300 | |
| \0\203-70-44370 | PIN | 1601-1861 | ||
| 18 | 07020-00000 | FITTING,GREASE | 1601-2300 | |
| 19 | 203-70-24150 | SPACER¤ 1.0MM | 1601-@ | |
| 203-70-24160 | SPACER¤ 2.0MM | 1601-2300 | ||
| 20 | 01011-51640 | BOLT | 1601-@ | |
| 21 | 01580-11613 | NUT | 1601-@ | |
| 22 | 203-70-44380 | PIN | 1601-@ | |
| 23 | 203-70-44451 | SPACER | 1601-2300 | |
| 24 | 203-70-44440 | PLATE | 1601-2300 | |
| 25 | 203-70-44550 | SHIM¤ 1.0MM | 1601-2300 | |
| 203-70-44460 | SHIM¤ 0.5MM | 1601-2300 | ||
| 26 | 203-70-44470 | O-RING | 1601-@ | |
| 27 | 01011-51670 | BOLT | 1601-@ | |
| 28 | 01580-11613 | NUT | 1601-@ | |
| 29 | 01010-51470 | BOLT | 1601-@ | |
| 30 | 01643-31445 | WASHER | 1601-@ | 
