
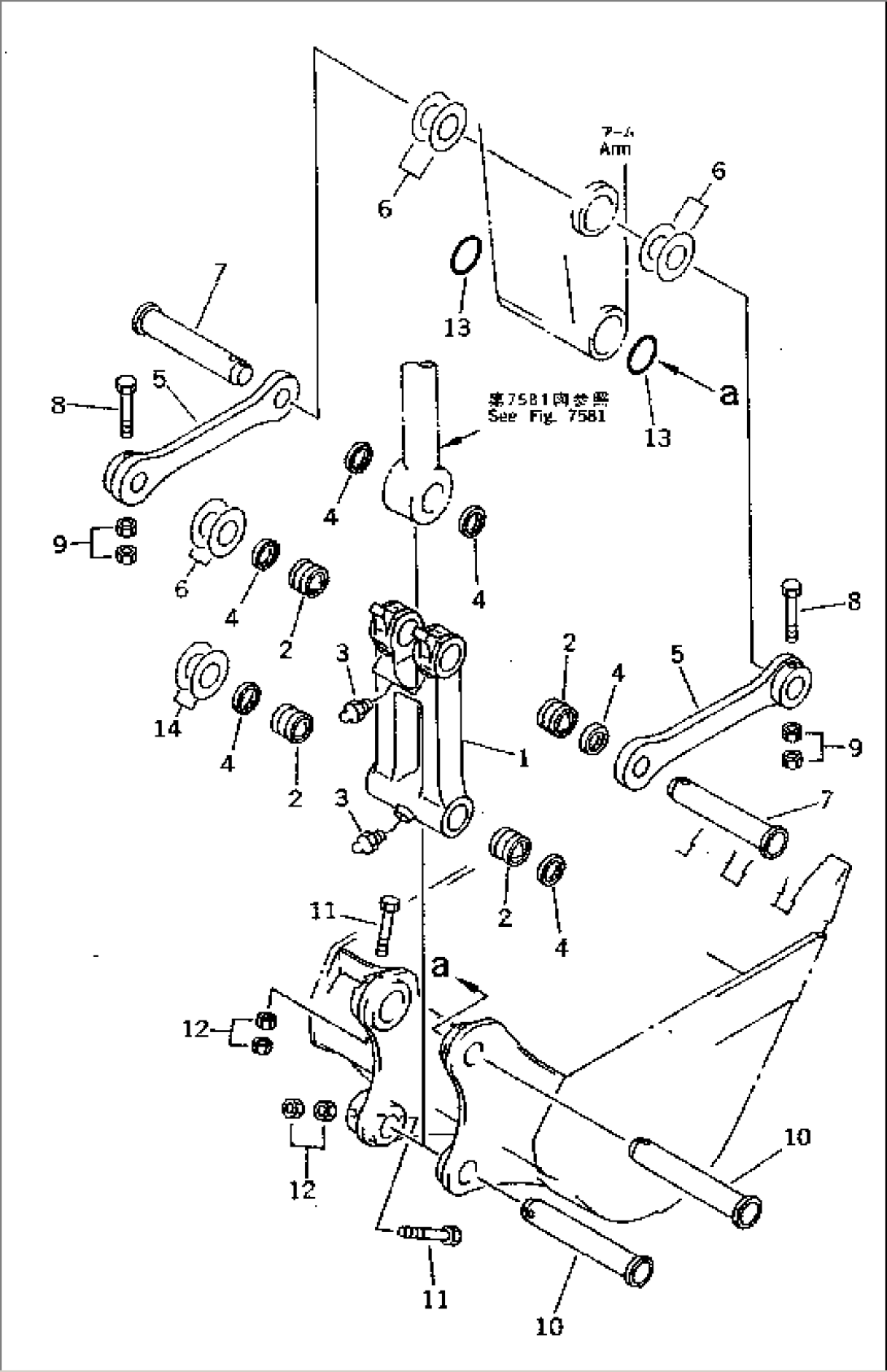
| Item | Part No. | Part Name | Qty | Serial No. |
| G-1 | (\8\208-70-X3010) | LINK GROUP | 20001- | |
| ==================== | ||||
| 208-70-00120 | LINK ASS'Y | 20001- | ||
| 1 | \6\ | LINK | 20001- | |
| 2 | 208-70-13141 | BUSHING | 20001- | |
| 3 | 07020-00000 | FITTING,GREASE | 20001- | |
| 4 | 208-70-12231 | SEAL,DUST | 20001- | |
| 5 | 208-70-33120 | LINK | 20001- | |
| 6 | 207-70-11340 | SPACER¤ 0.8MM | 20001- | |
| 7 | 208-70-33140 | PIN | 20001- | |
| 8 | 207-70-13340 | BOLT | 20001- | |
| 9 | 01580-12419 | NUT | 20001- | |
| 10 | 208-70-33130 | PIN | 20001- | |
| 11 | 207-70-13340 | BOLT | 20001- | |
| 12 | 01580-12419 | NUT | 20001- | |
| ==================== | ||||
| G-2 | (\8\208-70-X3020) | PARTS GROUP,INDIVIDUALLY FORWARDING | 20001- | |
| ==================== | ||||
| 13 | 208-70-33181 | O-RING | 21016- | |
| \0\208-70-33180 | O-RING | 20001-21015 | ||
| 14 | 207-70-11340 | SPACER¤ 0.8MM | 20001- | |
| ==================== |
