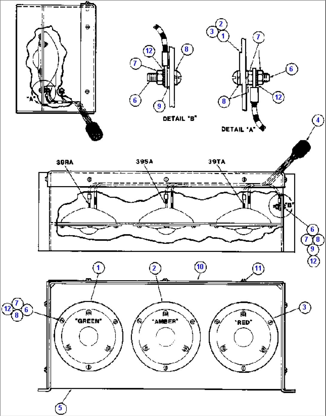
| Item | Part No. | Part Name | Qty | Serial No. |
| 1 | EB2846 | LIGHT ASSEMBLY - GREEN | | |
| 1 | PB7397 | LIGHT, BACKUP | | |
| 1 | PB7762 | LENS, GREEN | | |
| 1 | SF9896 | DISCONNECT, KNIFE | | |
| 1 | EB8246 | LAMP - 24V | | |
| 2 | EB2847 | LIGHT ASSEMBLY - AMBER | | |
| 2 | PB7397 | LIGHT, BACKUP | | |
| 2 | SF9896 | DISCONNECT, KNIFE | | |
| 2 | EB8246 | LAMP - 24V | | |
| 2 | VS5384 | LENS, AMBER | | |
| 3 | EB2848 | LIGHT ASSEMBLY - RED | | |
| 3 | PB7397 | LIGHT, BACKUP | | |
| 3 | EB8246 | LAMP - 24V | | |
| 3 | VS6513 | LENS, RED | | |
| 3 | SF9896 | DISCONNECT, KNIFE | | |
| 4 | EB3791 | HARNESS, INDICATOR LIGHT | | |
| 5 | EB4080 | HOUSING, INDICATOR LIGHT | | |
| 6 | HD6007 | MACHINE SCREW - #10 - 24NC X 3/4" | | |
| 7 | DF0017 | NUT - #10 - 24NC | | |
| 8 | DC3101 | LOCKWASHER - #10 | | |
| 9 | VC5344 | FLAT WASHER - #10 | | |
| 10 | EB4084 | HOUSING, COVER | | |
| 11 | WA2853 | SHEET METAL SCREW - #12 - 24NC X 5/8" | | |
| 12 | SD4245 | LOCKWASHER - #10 (EXTERNAL TOOTH) | | |
| 12 | SR6747 | BULB - 24V (REPLACEMENT FOR REF. 1, 2, 3) | | |
| 12 | | (QUANTITIES SHOWN ARE FOR ONE ASSM.) | | |