
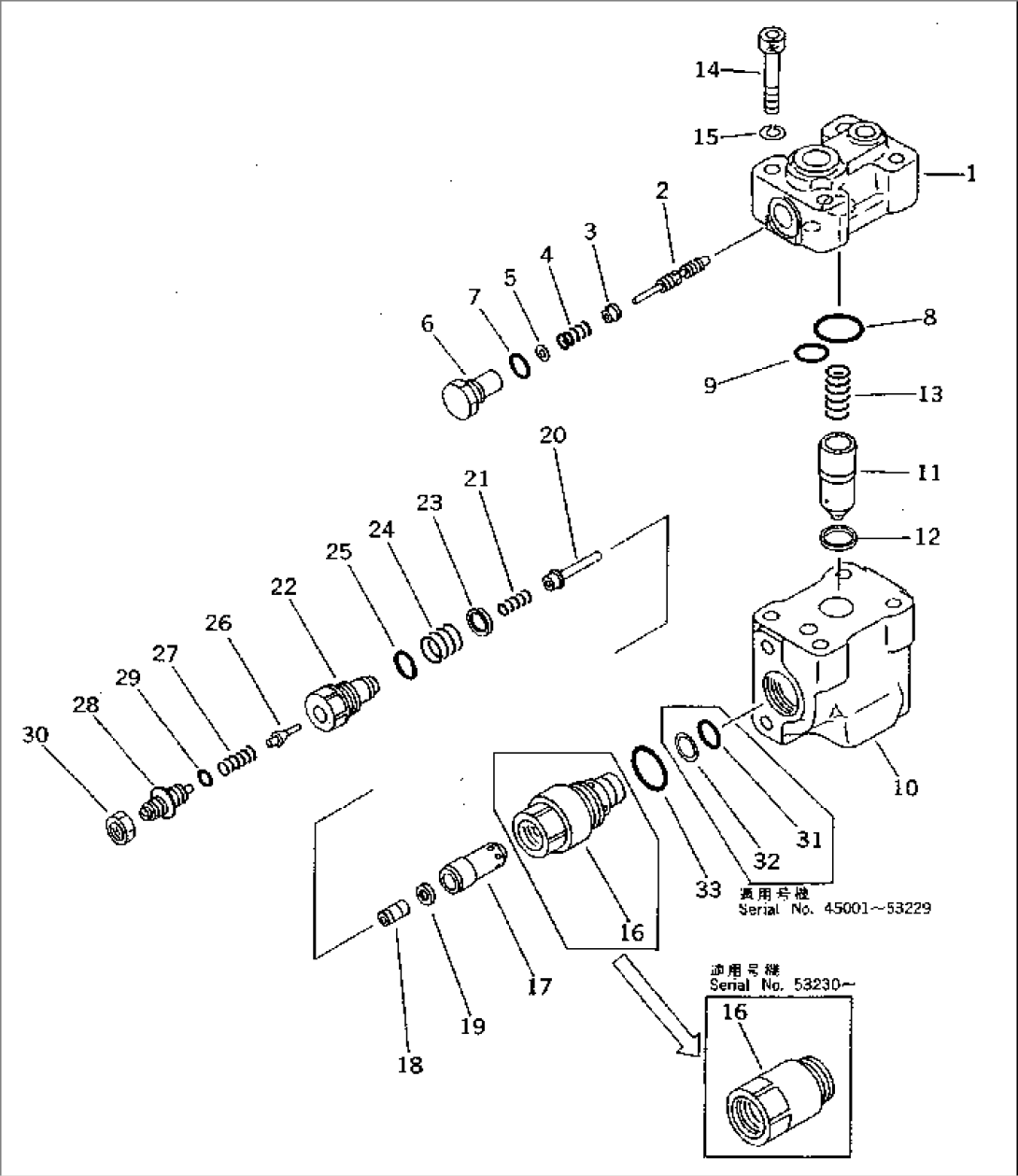
| Item | Part No. | Part Name | Qty | Serial No. |
| 702-21-04311 | LOCK VALVE ASS'Y | 53230- | ||
| \0\702-21-04320 | LOCK VALVE ASS'Y | 45001-53229 | ||
| 1 | \6\ | BODY | 45001- | |
| 2 | \6\ | SPOOL | 45001- | |
| 3 | 702-21-31350 | SEAT | 45001- | |
| 4 | 702-21-31231 | SPRING | 45001- | |
| 5 | 702-21-31360 | SPACER | 45001- | |
| 6 | 702-21-31241 | PLUG | 45001- | |
| 7 | 07002-01823 | O-RING | 45001- | |
| 8 | 07000-13030 | O-RING | 45001- | |
| 9 | 07000-02020 | O-RING | 45001- | |
| 10 | 702-21-35162 | BODY | 53230- | |
| 702-21-33111 | BODY | 45001-53229 | ||
| 11 | 702-21-35141 | VALVE,CHECK | 45001- | |
| 12 | 702-21-35130 | SEAL | 45001- | |
| 13 | 702-21-35120 | SPRING | 45001- | |
| 14 | 706-73-40330 | BOLT | 45001- | |
| 15 | 01602-21030 | WASHER | 45001- | |
| 709-70-74103 | VALVE ASS'Y,SUCTION AND SAFETY | 53230- | ||
| 709-70-72103 | VALVE ASS'Y,SUCTION AND SAFETY | 45001-53229 | ||
| 16 | 709-70-71112 | SLEEVE | 53230- | |
| 709-70-71522 | SLEEVE | 45001-53229 | ||
| 17 | \6\ | SLEEVE | 45001- | |
| 18 | \6\ | POPPET | 45001- | |
| 19 | \6\ | SEAL | 45001- | |
| 20 | \6\ | PISTON | 45001- | |
| 21 | 709-70-71210 | SPRING | 45001- | |
| 22 | \6\ | PLUG | 45001- | |
| 23 | \6\ | SEAL | 45001- | |
| 24 | 709-70-71220 | SPRING | 45001- | |
| 25 | 07002-02434 | O-RING | 45001- | |
| 26 | \6\ | POPPET | 45001- | |
| 27 | \6\ | SPRING | 45001- | |
| 28 | \6\ | SCREW | 45001- | |
| 29 | \6\ | O-RING | 45001- | |
| 30 | \6\ | NUT | 45001- | |
| 31 | 07000-12018 | O-RING | 45001-53229 | |
| 32 | 07001-02018 | RING,BACK-UP | 45001-53229 | |
| 33 | 709-25-11390 | O-RING | 53230- | |
| 07002-03634 | O-RING | 45001-53229 |
