
| Item | Part No. | Part Name | Qty | Serial No. |
| G-1 | (\8\21N-54-X1401) | OPERATOR'S CAB GROUP | 10158-10353 | |
| ==================== | ||||
| 209-54-00144 | OPERATOR'S CAB ASS'Y | 10243-@ | ||
| \0\209-54-00142 | OPERATOR'S CAB ASS'Y | 10158-10242 | ||
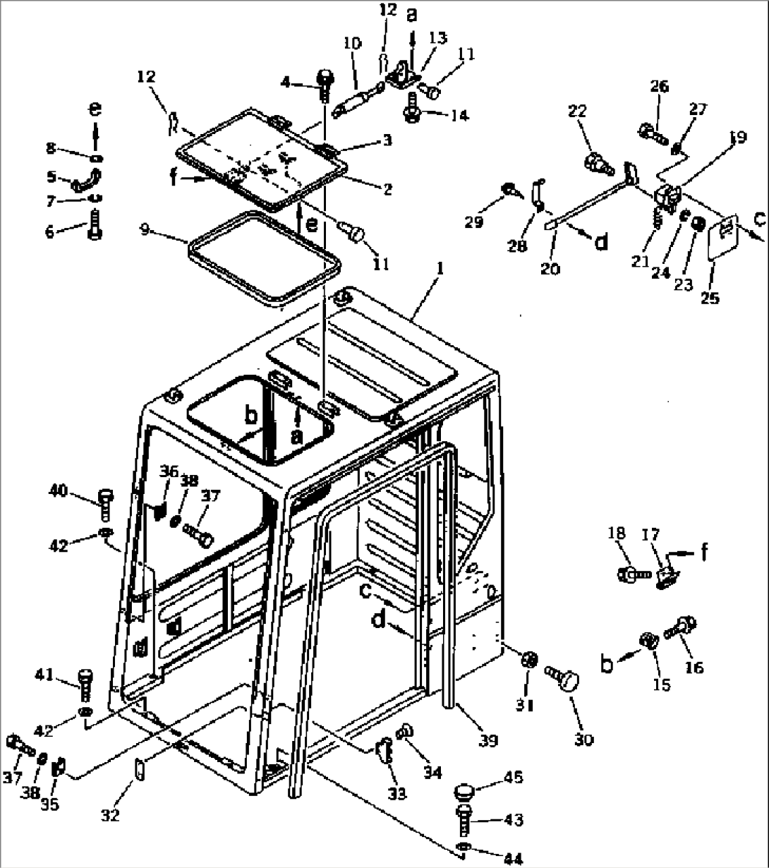
| THESE ASSEMBLIES CONSIST OF ALL PARTS SHOWN IN FIGS.5201A TO 5207 AND 5401A. | ||||
| 1 | \6\ | CAB | 10243-@ | |
| 1 | \6\ | CAB | 10158-10242 | |
| 2 | 20Y-54-11262 | COVER | 10158-@ | |
| 3 | 20Y-54-11282 | HINGE | 10158-@ | |
| 4 | 01435-00616 | BOLT | 10158-@ | |
| 5 | 20Y-54-14590 | HANDLE | 10158-@ | |
| 6 | 01220-40610 | SCREW | 10158-@ | |
| 7 | 01602-20619 | WASHER,SPRING | 10158-@ | |
| 8 | 01641-20608 | WASHER | 10158-@ | |
| 9 | 20Y-54-14630 | SEAL | 10158-@ | |
| 10 | 205-54-63650 | GAS SPRING ASS'Y | 10001-@ | |
| 11 | 04205-10825 | PIN | 10001-@ | |
| 12 | 04052-10833 | PIN,SNAP | 10158-@ | |
| 13 | 20Y-54-11383 | BRACKET | 10158-@ | |
| 14 | 01435-00616 | BOLT | 10158-@ | |
| 15 | 20Y-54-13492 | BRACKET | 10158-@ | |
| 16 | 01435-00616 | BOLT | 10158-@ | |
| 17 | 20Y-54-14321 | LOCK ASS'Y | 10158-@ | |
| 18 | 20Y-54-14370 | BOLT | 10158-@ | |
| 20Y-54-11890 | LOCK ASS'Y | 10158-@ | ||
| 19 | 20Y-54-13530 | LOCK | 10158-@ | |
| 20 | 20Y-54-13540 | LEVER | 10158-@ | |
| 21 | 20Y-54-13550 | SPRING | 10158-@ | |
| 22 | 20Y-54-13560 | PIN | 10158-@ | |
| 23 | 01580-10605 | NUT | 10158-@ | |
| 24 | 01602-20619 | WASHER,SPRING | 10158-@ | |
| 25 | 20Y-54-14530 | PLATE | 10158-@ | |
| 26 | 01010-50825 | BOLT | 10158-@ | |
| 27 | 01643-30823 | WASHER | 10158-@ | |
| 28 | 20Y-54-11490 | BRACKET | 10158-@ | |
| 29 | 01370-00412 | SCREW | 10158-@ | |
| 30 | 20Y-54-11611 | STOPPER | 10158-@ | |
| 31 | 01580-11008 | NUT | 10158-@ | |
| 32 | 20Y-54-11750 | SEAT | 10158-@ | |
| 33 | 205-54-71731 | STRIKER | 10001-@ | |
| 34 | 20Y-54-11740 | SCREW | 10158-@ | |
| 35 | 20Y-54-14480 | BRACKET,L.H. | 10158-@ | |
| 36 | 20Y-54-14490 | BRACKET,R.H. | 10158-@ | |
| 37 | 01010-50825 | BOLT | 10158-@ | |
| 38 | 01643-30823 | WASHER | 10158-@ | |
| 39 | 205-54-71560 | TRIM | 10001-@ | |
| 40 | 01010-51255 | BOLT | 10158-@ | |
| 41 | 01010-51270 | BOLT | 10158-@ | |
| 42 | 01643-31232 | WASHER | 10158-@ | |
| 43 | 01010-51225 | BOLT | 10158-@ | |
| 44 | 01643-31232 | WASHER | 10158-@ | |
| 45 | 20Y-54-13480 | PLUG | 10158-@ | |
| ==================== |
