
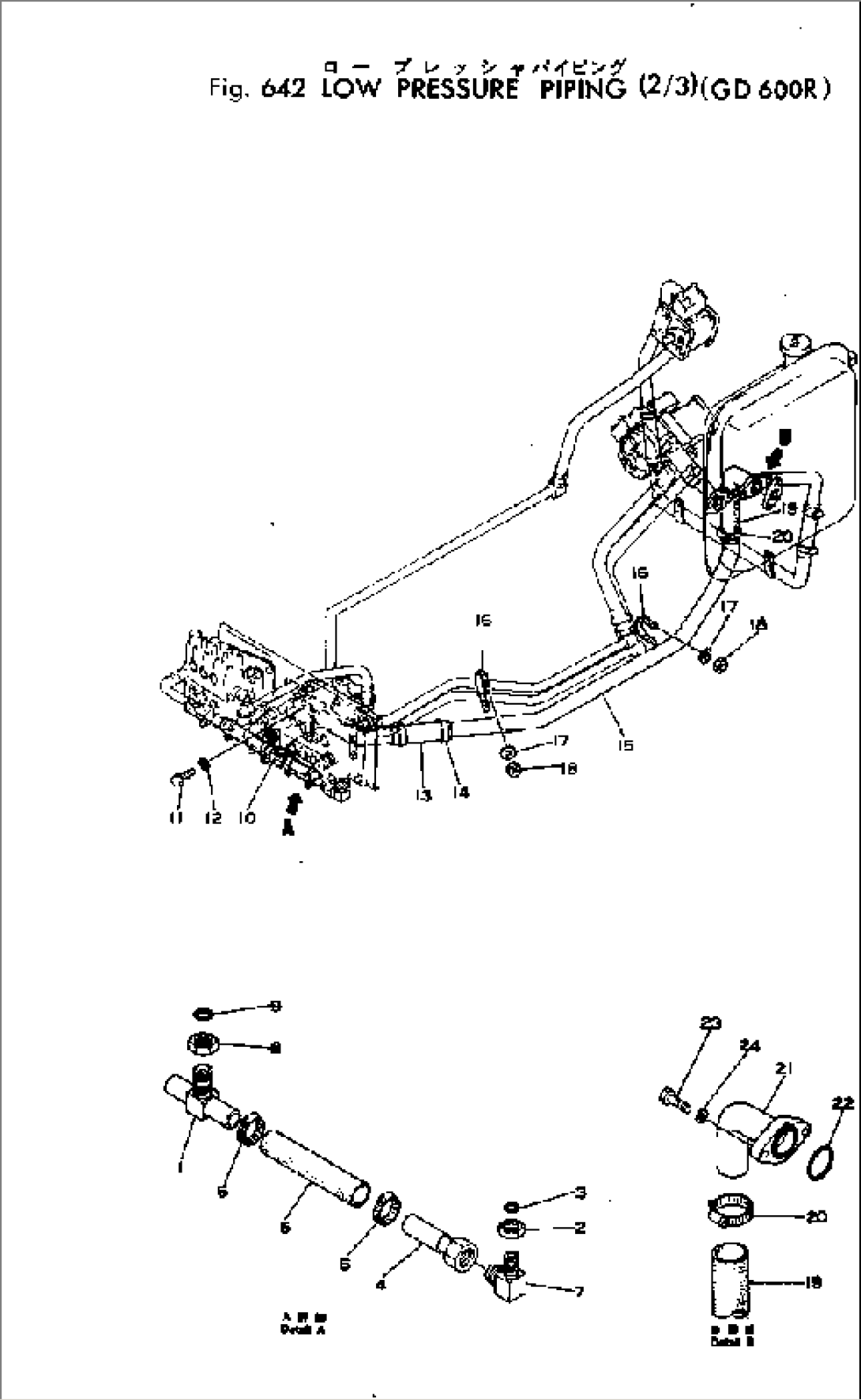
| Item | Part No. | Part Name | Qty | Serial No. |
| 1 | 232-60-55190 | TEE | 10002- | |
| 2 | 237-60-14170 | NUT | 10002- | |
| 3 | 07002-12034 | O-RING (KIT) | 10002- | |
| 4 | 232-60-55180 | TUBE | 10002- | |
| 5 | 07260-22616 | HOSE | 10002- | |
| 6 | 07281-00419 | CLAMP | 10002- | |
| 7 | 232-60-55170 | ELBOW | 10002- | |
| 8 | 07239-12410 | NUT | 10002- | |
| 9 | 07002-12434 | O-RING (KIT) | 10002- | |
| 10 | 232-60-52130 | JOINT | 10246- | |
| 10 | \0\232-60-55210 | JOINT | 10239-10245 | |
| 10 | \0\232-60-52130 | JOINT | 10238-10238 | |
| 10 | \0\232-60-55210 | JOINT | 10002-10237 | |
| 11 | 01010-50816 | BOLT | 10002- | |
| 12 | 01602-20825 | WASHER | 10002- | |
| 13 | 07260-24118 | HOSE | 10002- | |
| 14 | 07281-00609 | CLAMP | 10016- | |
| 14 | \0\07281-00549 | CLAMP | 10002-10015 | |
| 15 | 232-60-52150 | TUBE | 10246- | |
| 15 | \0\232-60-55220 | TUBE | 10239-10245 | |
| 15 | \0\232-60-52150 | TUBE | 10238-10238 | |
| 15 | \0\232-60-55220 | TUBE | 10002-10237 | |
| 16 | 07283-24346 | CLIP | 10002- | |
| 17 | 01643-31032 | WASHER | 10002- | |
| 18 | 01599-01011 | NUT | 10002- | |
| 19 | 07260-24118 | HOSE | 10002- | |
| 20 | 07281-00609 | CLAMP | 10016- | |
| 20 | \0\07281-00549 | CLAMP | 10002-10015 | |
| 21 | 232-60-55230 | TUBE | 10002- | |
| 22 | 07000-13045 | O-RING (KIT) | 10002- | |
| 23 | 01010-51230 | BOLT | 10002- | |
| 24 | 01602-21236 | WASHER | 10002- |
