
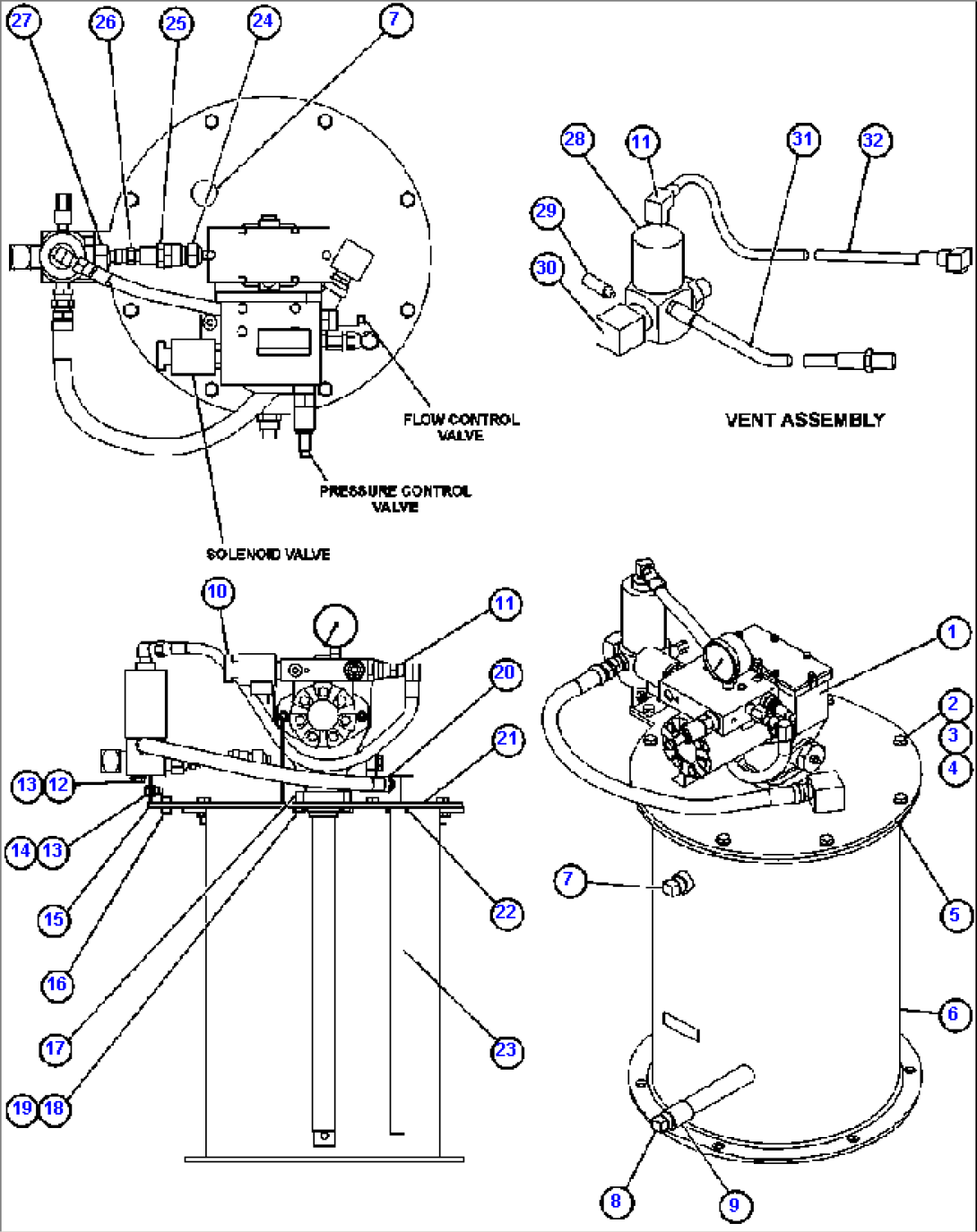
| Item | Part No. | Part Name | Qty | Serial No. |
| 1 | XA1984 | PUMP, LUBE (SEE INDEX) | ||
| 2 | BF5439 | CAPSCREW | ||
| 3 | LA1212 | LOCKWASHER | ||
| 4 | BF5438 | NUT, WING | ||
| 5 | BF5440 | GASKET | ||
| 6 | XA1986 | CONTAINER ASSEMBLY (90 LB.) | ||
| 7 | BF5442 | PLUG, PIPE (VENT) | ||
| 8 | BF5443 | PLUG, PIPE (FILL) | ||
| 9 | BF5435 | TUBE, EXTENSION | ||
| 10 | XA1987 | SWITCH, OVERRIDE | ||
| 11 | BF5425 | ELBOW | ||
| 12 | BF5085 | CAPSCREW | ||
| 13 | BF5084 | LOCKWASHER | ||
| 14 | XA1982 | CAPSCREW | ||
| 15 | BF5424 | BRACKET | ||
| 16 | BF5436 | NUT | ||
| 17 | BF5450 | GASKET | ||
| 18 | BF5447 | SCREW | ||
| 19 | BF5086 | NUT | ||
| 20 | BF5449 | ELBOW | ||
| 21 | BF5422 | COVER | ||
| 22 | XA1988 | GASKET | ||
| 23 | XA1985 | PIPE, VENT | ||
| 24 | BF5081 | ADAPTOR | ||
| 25 | LA1187 | VALVE, CHECK (SEE INDEX) | ||
| 26 | BF5445 | UNION | ||
| 27 | BF5082 | NIPPLE | ||
| 28 | LA0912 | VALVE, VENT (SEE INDEX) | ||
| 29 | LA0605 | UNLOADER, SAFETY | ||
| 30 | BF2446 | ELBOW | ||
| 31 | BF5426 | HOSE | ||
| 32 | XA1983 | HOSE |
