
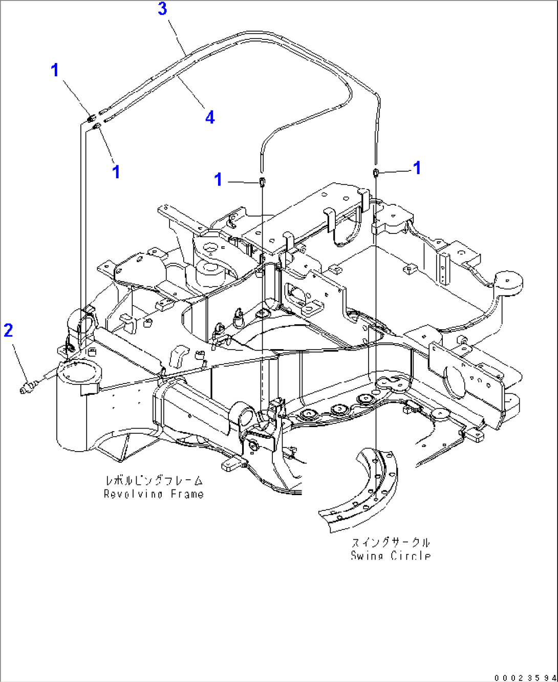
| Item | Part No. | Part Name | Qty | Serial No. |
| 1 | 21R-46-11411 | NIPPLE | 15001- | |
| 2 | 07020-00000 | FITTING,GREASE | 15001- | |
| 3 | 22K-46-21330 | TUBE | 15001- | |
| 4 | 22L-46-21330 | TUBE | 15001- |

| Item | Part No. | Part Name | Qty | Serial No. |
| 1 | 21R-46-11411 | NIPPLE | 15001- | |
| 2 | 07020-00000 | FITTING,GREASE | 15001- | |
| 3 | 22K-46-21330 | TUBE | 15001- | |
| 4 | 22L-46-21330 | TUBE | 15001- |