
| Item | Part No. | Part Name | Qty | Serial No. |
| 6130-51-5103 | OIL FILTER ASS'Y | 30083- | ||
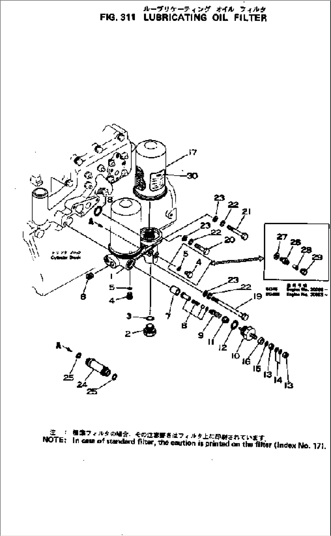
| 1 | 6130-51-5113 | BRACKET | 30083- | |
| 2 | 600-211-5720 | PLUG | 30083- | |
| 3 | 07000-03022 | O-RING (K2) | 30083- | |
| 4 | 600-211-5710 | PLUG | 30083- | |
| 5 | 07000-02008 | O-RING | 30083- | |
| 6 | 07043-00312 | PLUG | 30083- | |
| 7 | 600-211-5730 | VALVE,SAFETY | 30083- | |
| 8 | 600-211-5760 | VALVE ASS'Y | 30083- | |
| 9 | 6130-51-5251 | SPRING | 30083- | |
| 10 | 600-211-5770 | PLUG | 30083- | |
| 11 | 600-211-5740 | SEAT | 30083- | |
| 12 | 07000-03022 | O-RING | 30083- | |
| 13 | 01580-20504 | NUT | 30083- | |
| 14 | 01601-00513 | WASHER,SPRING | 30083- | |
| 15 | 6110-51-5580 | GASKET | 30083- | |
| 16 | 600-211-7821 | WASHER | 30083- | |
| 17 | 600-211-5214 | CARTRIDGE | .- | |
| 17 | \0\600-211-5213 | CARTRIDGE | 30083-. | |
| 18 | 07000-23025 | O-RING (K2) | 30083- | |
| 19 | 6130-51-5310 | BOLT | 30083- | |
| 20 | 01010-31035 | BOLT | 30083- | |
| 21 | 01010-31080 | BOLT | 30083- | |
| 22 | 01602-01030 | WASHER,SPRING | 30083- | |
| 23 | 01640-21016 | WASHER | 30083- | |
| 24 | 6130-51-6420 | PIPE,OIL | 30083- | |
| 25 | 6130-51-6490 | O-RING (K2) | 30083- | |
| 26 | 6130-55-5410 | NIPPLE | 30083- | |
| 27 | 07005-01012 | GASKET | 30083- | |
| 28 | 07200-00515 | SLEEVE | 30083- | |
| 29 | 07201-50512 | NUT | 30083- | |
| 30 | 600-211-5260 | PLATE, CAUTION,(ENGLISH) | 30083- |
