
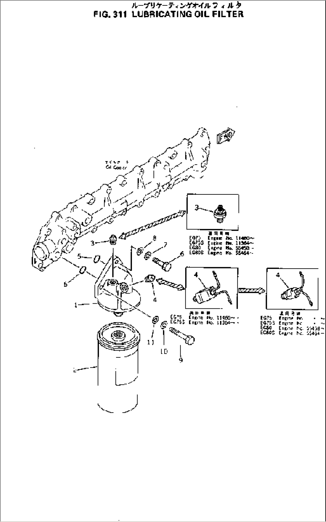
| Item | Part No. | Part Name | Qty | Serial No. |
| 6136-51-5101 | OIL FILTER ASS'Y | 16877- | ||
| 1 | 6136-51-5111 | BRACKET | 16877- | |
| 2 | 6136-51-5120 | CARTRIDGE | 16877- | |
| 3 | 07043-00108 | PLUG | 16877- | |
| 4 | 07042-00108 | PLUG | 16877- | |
| 5 | 07000-63028 | O-RING (K2) | 16877- | |
| 6 | 01010-31035 | BOLT | 16877- | |
| 7 | 01602-01030 | WASHER,SPRING | 16877- | |
| 8 | 01640-01016 | WASHER | 16877- | |
| 9 | 01010-30885 | BOLT | 16877- | |
| 10 | 01602-00825 | WASHER,SPRING | 16877- | |
| 11 | 01640-00816 | WASHER | 16877- |
