
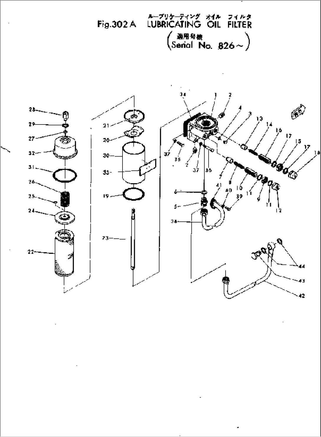
| Item | Part No. | Part Name | Qty | Serial No. |
| 6100-50-5501 | OIL FILTER ASS'Y | 826- | ||
| 1 | 6100-51-5112 | BASE | 2771- | |
| 1 | \0\6100-51-5111 | BASE | 826-2270 | |
| 2 | 07042-00415 | PLUG | 826- | |
| 3 | 07040-01007 | PLUG | 826- | |
| 4 | 07003-01015 | GASKET (KIT) | 826- | |
| 5 | 07211-21824 | NIPPLE | 826- | |
| 6 | 07003-02430 | GASKET (KIT) | 826- | |
| 7 | 6101-51-5311 | VALVE | 2271- | |
| 7 | \0\6110-51-5310 | VALVE | 826-2270 | |
| 8 | 6110-51-5320 | SPRING | 826- | |
| 9 | 01501-42410 | NUT | 826- | |
| 10 | 6100-51-5311 | SCREW | 826- | |
| 11 | 07003-02430 | GASKET (KIT) | 2001- | |
| 11 | \0\6D150A5541 | GASKET | 826-1080 | |
| 12 | 6110-51-5350 | NUT | 826- | |
| 13 | 6110-51-5310 | VALVE | 826- | |
| 14 | 6100-51-5420 | SPRING | 826- | |
| 15 | 6110-51-5420 | NUT | 826- | |
| 16 | 6100-51-5311 | SCREW | 826- | |
| 17 | 6110-51-5440 | GASKET (KIT) | 826- | |
| 18 | 6110-51-5430 | NUT | 826- | |
| 19 | 6110-51-5820 | GASKET (KIT) | 826- | |
| 20 | 6003200-4-10 | PLATE | 826- | |
| 21 | 6003200-4-20 | RETAINER | 826- | |
| 6120-50-5102 | ELEMENT ASS'Y | 2585- | ||
| 6120-50-5109 | ELEMENT ASS'Y | 826-2584 | ||
| 22 | 6110-53-5120 | ELEMENT | 2585- | |
| 22 | \0\6003200-1-10 | ELEMENT | 826-2584 | |
| 23 | 6003200-3-30 | GASKET (KIT) | 826- | |
| 24 | 6003201-3-10 | STAY | 826- | |
| 25 | 6003200-4-30 | RETAINER | 826- | |
| 26 | 6003200-4-50 | O-RING (KIT) | 826- | |
| 27 | 6003200-4-40 | SPRING | 826- | |
| 28 | 07000-03020 | O-RING (KIT) | 826- | |
| 29 | 6003200-3-40 | NUT | 826- | |
| 30 | 6003200-3-50 | WASHER | 826- | |
| 31 | 6003200-3-10 | BODY | 826- | |
| 32 | 6003200-3-21 | COVER | 826- | |
| 33 | 6110-81-2135 | PLATE, INSTRUCTION | 2585- | |
| 33 | 6110-81-2133 | PLATE, CAUTION | 2493-2584 | |
| 33 | 6110-81-2131 | PLATE, CAUTION | 826-2492 | |
| 34 | 6100-51-5811 | GASKET (KIT) | 826- | |
| 35 | 01040-41030 | BOLT | 826- | |
| 36 | 01040-41065 | BOLT | 826- | |
| 37 | 01602-01030 | WASHER | 826- | |
| 38 | 6100-51-6311 | PIPE | 826- | |
| 39 | 01000-40820 | BOLT | 826- | |
| 40 | 01602-10825 | WASHER | 826- | |
| 41 | 6100-51-6810 | GASKET (KIT) | 826- | |
| 42 | 4D115A5543C | PIPE,(EXCEPT JAPAN) | 858-859 | |
| 43 | 4D115A5557 | BOLT,(EXCEPT JAPAN) | 858-859 | |
| 44 | 07003-02430 | GASKET,(EXCEPT JAPAN) (KIT) | 858-859 |
