
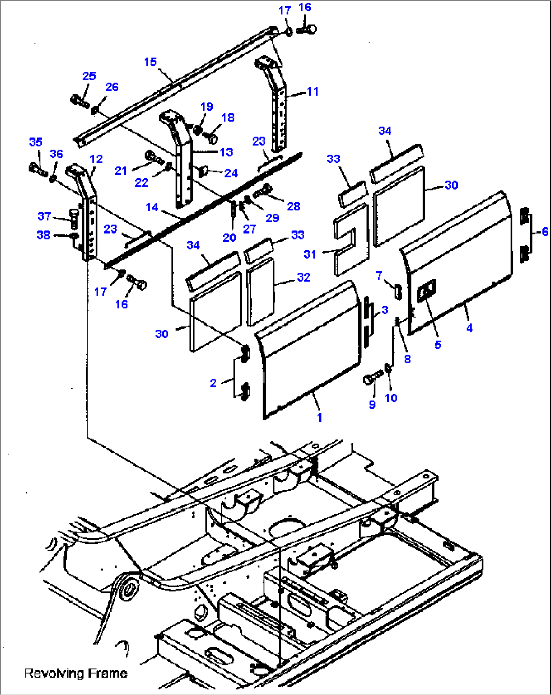
| Item | Part No. | Part Name | Qty | Serial No. |
| 1 | 207-54-71312 | COVER | A85015-- | |
| 2 | 20Y-54-63410 | HINGE | A85015-- | |
| 3 | 20Y-54-63390 | SHEET | A85015-- | |
| 4 | 207-54-71342 | COVER | A85015-- | |
| 5 | 198-54-41982 | LOCK ASSEMBLY | A85015-- | |
| 6 | 20Y-54-63410 | HINGE | A85015-- | |
| 7 | 20Y-54-61482 | SHEET | A85015-- | |
| 8 | 205-54-53550 | DOVE TAIL | A85015-- | |
| 9 | 01010-80612 | BOLT | A85015-- | |
| 10 | 01643-30623 | WASHER | A85015-- | |
| 11 | 207-54-71111 | FRAME | A85015-- | |
| 12 | 207-54-71121 | FRAME | A85015-- | |
| 13 | 207-54-71131 | FRAME | A85015-- | |
| 14 | 207-54-71141 | PLATE | A85015-- | |
| 15 | 207-54-71151 | FRAME | A85015-- | |
| 16 | 01010-81230 | BOLT | A85015-- | |
| 17 | 01643-31232 | WASHER | A85015-- | |
| 18 | 20Y-54-11611 | STOPPER | A85015-- | |
| 19 | 01580-11008 | NUT | A85015-- | |
| 20 | 20Y-54-28170 | BRACKET | A85015-- | |
| 21 | 01010-81230 | BOLT | A85015-- | |
| 22 | 01643-31232 | WASHER | A85015-- | |
| 23 | 20Y-54-29231 | BAR | A85015-- | |
| 24 | 20Y-54-61470 | PLATE | A85015-- | |
| 25 | 01010-81230 | BOLT | A85015-- | |
| 26 | 01643-31232 | WASHER | A85015-- | |
| 27 | 205-54-51970 | DOVE TAIL | A85015-- | |
| 28 | 01010-80616 | BOLT | A85015-- | |
| 29 | 01643-30623 | WASHER | A85015-- | |
| 30 | 20Y-54-61451 | SHEET | A85015-- | |
| 31 | 207-54-71161 | SHEET | A85015-- | |
| 32 | 207-54-71180 | SHEET | A85015-- | |
| 33 | 207-54-71261 | SHEET | A85015-- | |
| 34 | 207-54-71290 | SHEET | A85015-- | |
| 35 | 01010-81230 | BOLT | A85015-- | |
| 36 | 01643-31232 | WASHER | A85015-- | |
| 37 | 01010-81230 | BOLT | A85015-- | |
| 38 | 01643-31232 | WASHER | A85015-- |
