
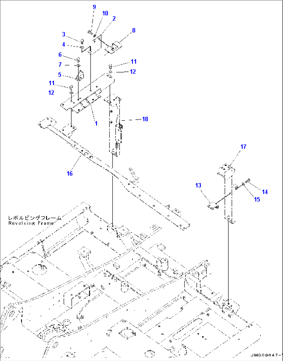
| Item | Part No. | Part Name | Qty | Serial No. |
| 1 | 203-54-73540 | Frame | B10001- | |
| 2 | 203-54-11411 | Bracket | B10001- | |
| 3 | 01010-81230 | Bolt | B10001- | |
| 4 | 01643-31232 | Washer | B10001- | |
| 5 | 203-54-73961 | Bracket | B10001- | |
| 6 | 01010-81230 | Bolt | B10001- | |
| 7 | 01643-31232 | Washer | B10001- | |
| 8 | 203-54-11491 | Bracket | B10001- | |
| 9 | 01010-81230 | Bolt | B10001- | |
| 10 | 01643-31232 | Washer | B10001- | |
| 11 | 01010-81230 | Bolt | B10001- | |
| 12 | 01643-31232 | Washer | B10001- | |
| 13 | 203-54-12851 | Bracket | B10001- | |
| 14 | 01010-81230 | Bolt | B10001- | |
| 15 | 01643-31232 | Washer | B10001- | |
| 16 | (203-54-11421) | Frame | - | |
| 17 | (203-54-11781) | Frame | - | |
| 18 | (203-54-11931) | Frame | - |
