
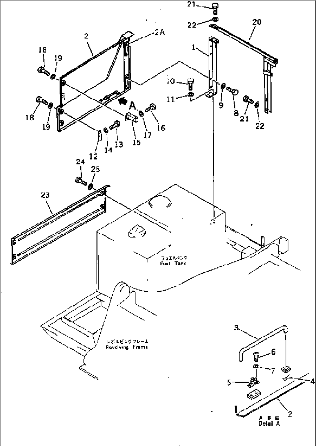
| Item | Part No. | Part Name | Qty | Serial No. |
| 1 | 207-54-31171 | FRAME | 12001- | |
| 2 | 207-54-31141 | DOOR | 12001- | |
| 2A | 205-54-64120 | HINGE (WELDED) | 12001- | |
| 3 | 205-54-64140 | BAR | 12001- | |
| 4 | 04050-13018 | PIN,COTTER | 12001- | |
| 5 | 20B-54-12210 | SPRING | 12001- | |
| 6 | 01220-40406 | SCREW | 12001- | |
| 7 | 01641-20405 | WASHER | 12001- | |
| 8 | 01010-51230 | BOLT | 12001- | |
| 9 | 01643-31232 | WASHER | 12001- | |
| 10 | 01010-51230 | BOLT | 12001- | |
| 11 | 01643-31232 | WASHER | 12001- | |
| 12 | 207-54-31661 | BRACKET | 12001- | |
| 13 | 01010-51225 | BOLT | 12001- | |
| 14 | 01643-31232 | WASHER | 12001- | |
| 15 | 207-54-31671 | BRACKET | 12001- | |
| 16 | 01010-51250 | BOLT | 12001- | |
| 17 | 01643-31232 | WASHER | 12001- | |
| 18 | 01010-51230 | BOLT | 12001- | |
| 19 | 01643-31232 | WASHER | 12001- | |
| 20 | 207-54-31480 | FRAME | 12001- | |
| 21 | 01010-51230 | BOLT | 12001- | |
| 22 | 01643-31232 | WASHER | 12001- | |
| 23 | 207-54-31350 | COVER | 12001- | |
| 24 | 01010-51230 | BOLT | 12001- | |
| 25 | 01643-31232 | WASHER | 12001- |
