
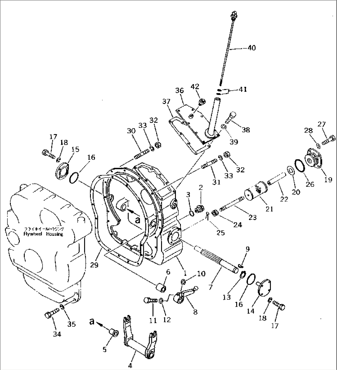
| Item | Part No. | Part Name | Qty | Serial No. |
| 1 | 130-10-62110 | CASE | 83001- | |
| 2 | 07044-13620 | PLUG | 83001- | |
| 3 | 07000-03032 | O-RING | 83001- | |
| 4 | 144-10-12250 | YOKE | 83001- | |
| 5 | 175-10-12230 | BUSHING | 83001- | |
| 6 | 170-10-16120 | BUSHING | 83001- | |
| 7 | 141-10-32280 | SHAFT | 83001- | |
| 8 | 144-10-52110 | LEVER | 83001- | |
| 9 | 04010-00732 | KEY | 83001- | |
| 10 | 144-10-52120 | SPACER | 83001- | |
| 11 | 01010-81650 | BOLT | 83001- | |
| 12 | 01643-31645 | WASHER | 83001- | |
| 13 | 130-09-16420 | RING,SNAP | 83001- | |
| 14 | 141-10-32153 | COVER | 83001- | |
| 15 | 141-10-32162 | COVER | 83001- | |
| 16 | 07000-02080 | O-RING | 83001- | |
| 17 | 01010-51025 | BOLT | 83001- | |
| 18 | 01602-21030 | WASHER,SPRING | 83001- | |
| 19 | 130-10-62140 | COVER | 83001- | |
| 20 | 170-10-16490 | GASKET | 83001- | |
| 21 | 144-10-12140 | STRAINER | 83001- | |
| 22 | 170-10-16361 | SPACER | 83001- | |
| 23 | 170-10-16372 | STUD | 83001- | |
| 24 | 01593-11008 | NUT | 83001- | |
| 25 | 04050-12025 | PIN,COTTER | 83001- | |
| 26 | 07000-02090 | O-RING | 83001- | |
| 27 | 01010-51025 | BOLT | 83001- | |
| 28 | 01602-21030 | WASHER,SPRING | 83001- | |
| 29 | 130-10-62121 | GASKET | 83880- | |
| 130-10-62120 | GASKET | 83001-83879 | ||
| 30 | 01140-51230 | STUD | 83001- | |
| 31 | 01140-51235 | STUD | 83001- | |
| 32 | 01582-11210 | NUT | 83001- | |
| 33 | 01602-21236 | WASHER,SPRING | 83001- | |
| 34 | 01010-51240 | BOLT | 83001- | |
| 35 | 01602-21236 | WASHER,SPRING | 83001- | |
| 36 | 144-10-12512 | COVER | 83001- | |
| 37 | 141-10-32144 | GASKET | 83880- | |
| 141-10-32143 | GASKET | 83001-83879 | ||
| 38 | 01010-51025 | BOLT | 83001- | |
| 39 | 01602-21030 | WASHER,SPRING | 83001- | |
| 40 | 144-10-51110 | GAUGE,OIL LEVEL | 83001- | |
| 41 | 07002-02434 | O-RING | 83001- | |
| 42 | 07030-00252 | BREATHER | 83001- |
