
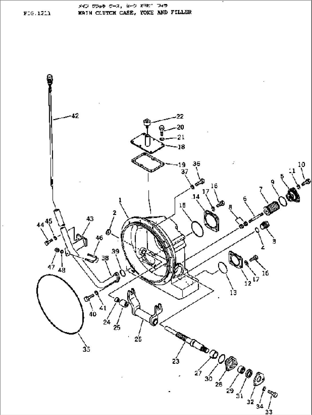
| Item | Part No. | Part Name | Qty | Serial No. |
| 1 | 120-10-31112 | CASE | 6001- | |
| 2 | 07046-13520 | PLUG | 6001- | |
| 3 | 07044-13620 | PLUG | 6001- | |
| 4 | 07002-03634 | O-RING (KIT) | 6001- | |
| 5 | 120-10-31230 | COVER | 6001- | |
| 6 | 121-10-13320 | STUD | 6001- | |
| 7 | 120-10-31310 | STRAINER | 6001- | |
| 8 | 01580-01008 | NUT | 6001- | |
| 9 | 07000-02070 | O-RING (KIT) | 6001- | |
| 10 | 01010-31030 | BOLT | 6001- | |
| 11 | 01602-01030 | WASHER,SPRING | 6001- | |
| 12 | 120-10-31210 | COVER | 6001- | |
| 13 | 07000-02080 | O-RING (KIT) | 6001- | |
| 14 | 121-10-11611 | COVER | 6001- | |
| 15 | 07000-02110 | O-RING (KIT) | 6001- | |
| 16 | 01010-31025 | BOLT | 6001- | |
| 17 | 01602-01030 | WASHER,SPRING | 6001- | |
| 18 | 121-10-11120 | COVER | 6001- | |
| 19 | 121-10-11130 | GASKET (KIT) | 6001- | |
| 20 | 01010-31025 | BOLT | 6001- | |
| 21 | 01602-01030 | WASHER,SPRING | 6001- | |
| 22 | 07030-00252 | BREATHER | 6001- | |
| 23 | 120-10-31522 | SHAFT | 6001- | |
| 24 | 06120-02216 | BEARING,NEEDLE | 6001- | |
| 25 | 120-10-31530 | SPACER | 6001- | |
| 26 | 120-10-31512 | YOKE | 6001- | |
| 27 | 120-10-31541 | COLLAR | 6001- | |
| 28 | 120-10-31591 | CAGE | 6001- | |
| 29 | 06120-03520 | BEARING,NEEDLE | 6001- | |
| 30 | 07000-02060 | O-RING (KIT) | 6001- | |
| 31 | 07012-10035 | SEAL,OIL (KIT) | 6001- | |
| 32 | 120-10-31610 | PLATE | 6001- | |
| 33 | 01010-31030 | BOLT | 6001- | |
| 34 | 01602-01030 | WASHER,SPRING | 6001- | |
| 35 | 120-10-31120 | O-RING (KIT) | 6001- | |
| 36 | 01010-31030 | BOLT | 6001- | |
| 37 | 01602-01030 | WASHER,SPRING | 6001- | |
| 38 | 120-10-33140 | FILLER | 6001- | |
| 39 | 07000-03035 | O-RING (KIT) | 6001- | |
| 40 | 01010-31030 | BOLT | 6001- | |
| 41 | 01602-01030 | WASHER,SPRING | 6001- | |
| 42 | 120-10-33150 | GAUGE,OIL LEVEL | 6001- | |
| 43 | 120-10-33160 | BRACKET | 6001- | |
| 44 | 01010-30825 | BOLT | 6001- | |
| 45 | 01602-00825 | WASHER,SPRING | 6001- | |
| 46 | 07283-23442 | CLIP | 6001- | |
| 47 | 01599-01011 | NUT | 6001- | |
| 48 | 01643-31032 | WASHER | 6001- |
