
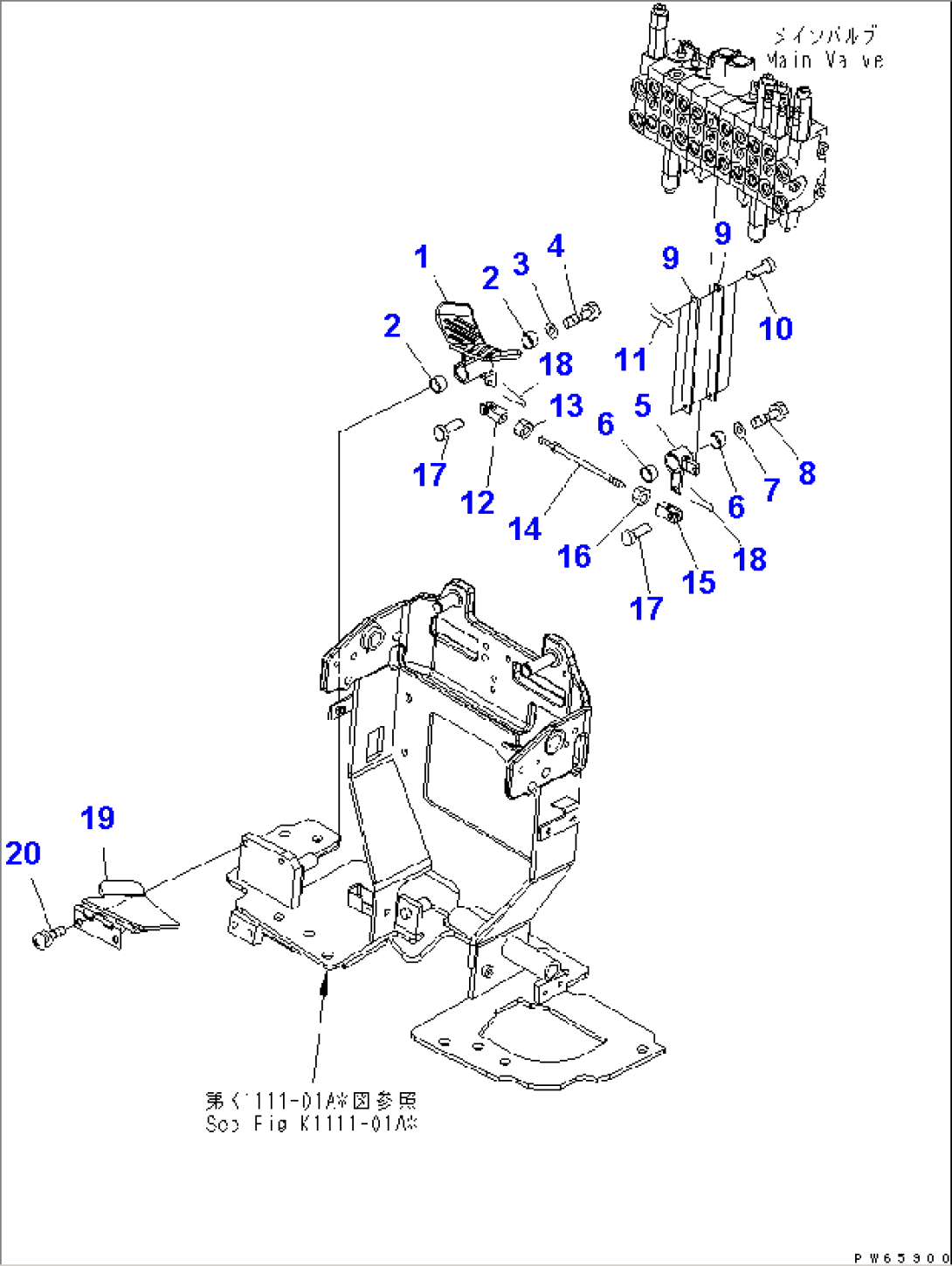
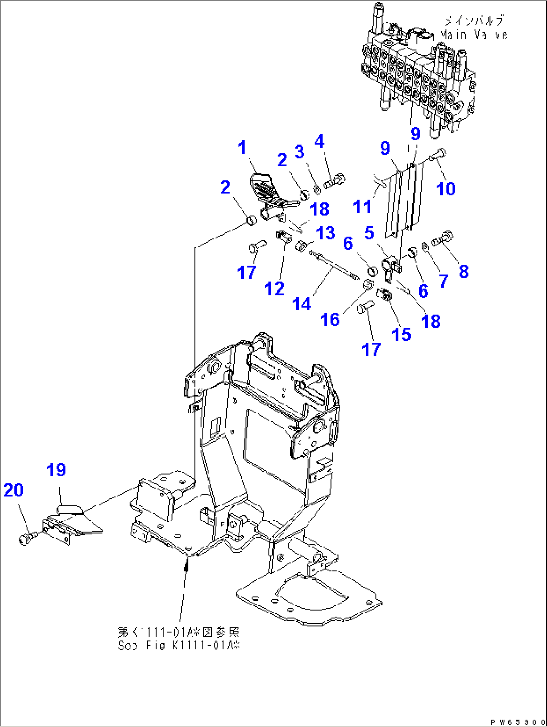
| Item | Part No. | Part Name | Qty | Serial No. |
| 1 | 21S-43-31640 | PEDAL,SWING | 10001- | |
| 2 | 20A-43-11280 | BUSHING | 10001- | |
| 3 | 154-61-16570 | WASHER | 10001- | |
| 4 | 01010-80816 | BOLT | 10001- | |
| 5 | 21S-43-31610 | LEVER,SWING | 10001- | |
| 6 | 20A-43-11280 | BUSHING | 10001- | |
| 7 | 154-61-16570 | WASHER | 10001- | |
| 8 | 01010-80816 | BOLT | 10001- | |
| 9 | 21S-43-31630 | PLATE | 10001- | |
| 10 | 21S-43-31260 | PIN | 10001- | |
| 11 | 04050-11210 | PIN,COTTER | 10001- | |
| 12 | 04210-20624 | YOKE | 10001- | |
| 13 | 01580-10605 | NUT | 10001- | |
| 14 | 04248-30614 | ROD | 10001- | |
| 15 | 04220-20624 | YOKE | 10001- | |
| 16 | 01508-40603 | NUT | 10001- | |
| 17 | 04205-10618 | PIN | 10001- | |
| 18 | 04050-11612 | PIN,COTTER | 10001- | |
| 19 | 21S-43-31622 | LOCK,SWING | 10448- | |
| 19 | 21S-43-31621 | LOCK,SWING | 10001-10447 | |
| 20 | 01023-10825 | SCREW | 10448- | |
| 20 | 01023-10816 | SCREW | 10001-10447 |
