
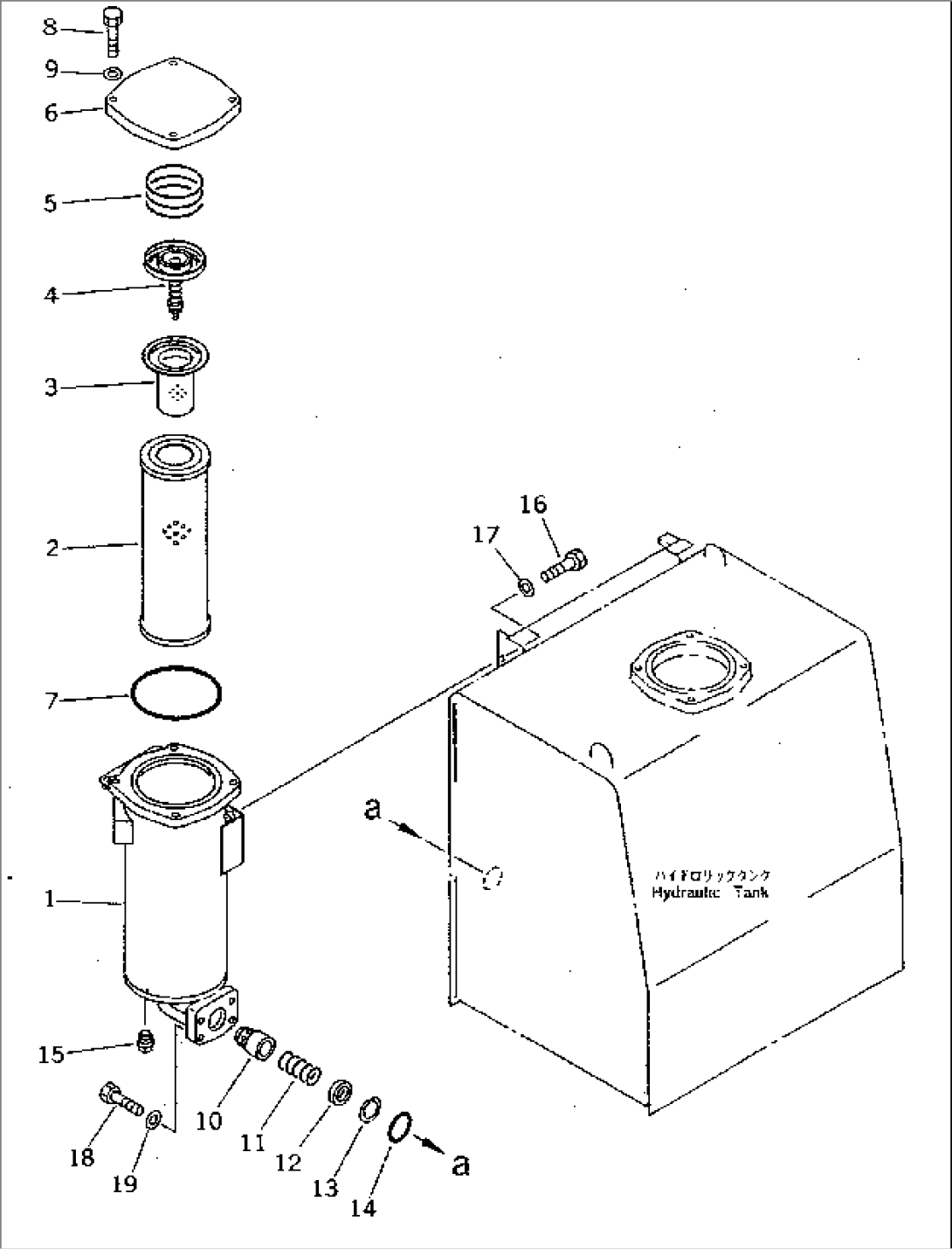
| Item | Part No. | Part Name | Qty | Serial No. |
| 1 | 207-60-51140 | CASE | 20001- | |
| 2 | 07063-01210 | ELEMENT | 20001- | |
| 3 | 206-60-41221 | STRAINER | 20001- | |
| 4 | 12R-60-11300 | VALVE ASS'Y | 20001- | |
| 5 | 12R-60-11390 | SPRING | 20001- | |
| 6 | 207-60-51440 | COVER | 20001- | |
| 7 | 07000-05180 | O-RING | 20001- | |
| 8 | 01010-51245 | BOLT | 20001- | |
| 9 | 01643-31232 | WASHER | 20001- | |
| 10 | 205-60-71230 | POPPET | 20001- | |
| 11 | 706-76-71190 | SPRING | 20001- | |
| 12 | 207-60-51170 | SPACER | 20001- | |
| 13 | 04065-05020 | RING,SNAP | 20001- | |
| 14 | 07000-02060 | O-RING | 20001- | |
| 15 | 07042-30211 | PLUG | 20001- | |
| 16 | 01010-51225 | BOLT | 20001- | |
| 17 | 01643-31232 | WASHER | 20001- | |
| 18 | 01010-51245 | BOLT | 20001- | |
| 19 | 01643-31232 | WASHER | 20001- |
