
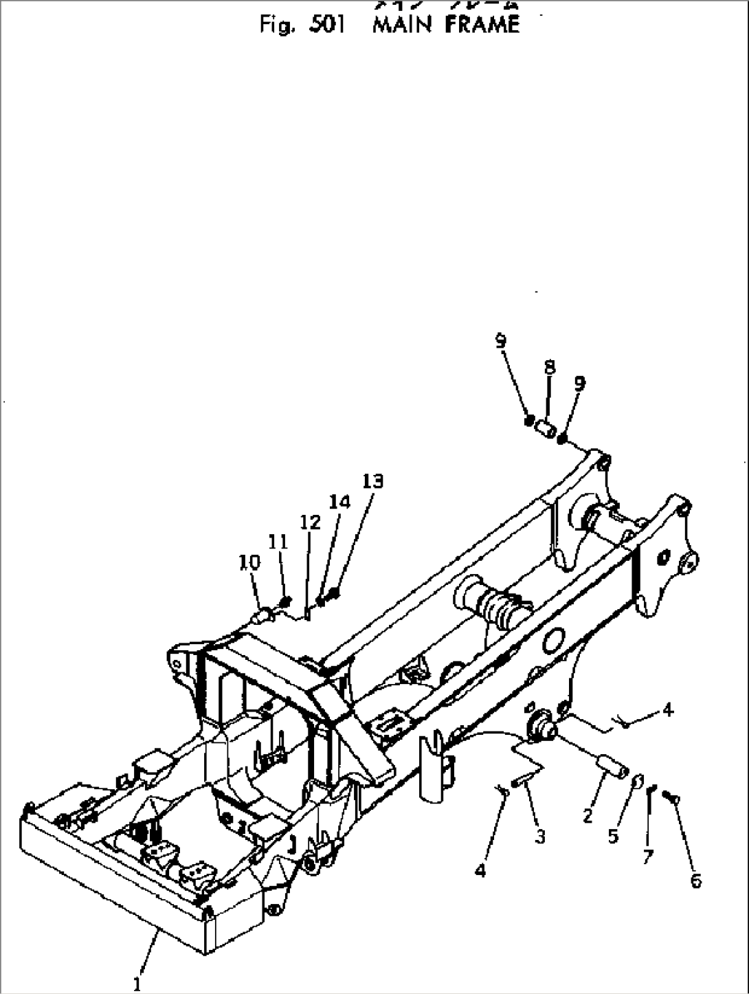
| Item | Part No. | Part Name | Qty | Serial No. |
| 1 | 561-46-03101 | MAIN FRAME ASS'Y | 1101- | |
| 2 | 568-46-11421 | PIN | 1101- | |
| 3 | 568-46-11430 | PIN | 1101- | |
| 4 | 04050-05040 | PIN | 1101- | |
| 5 | 04080-08018 | HOLDER | 1101- | |
| 6 | 01010-51640 | BOLT | 1101- | |
| 7 | 04081-08016 | LOCK | 1101- | |
| 8 | 568-46-11472 | BUSHING | 1101- | |
| 9 | 07145-00090 | SEAL | 1101- | |
| 10 | 568-52-11310 | PIN | 1101- | |
| 11 | 07020-00000 | FITTING | 1101- | |
| 12 | 568-52-11170 | PLATE | 1101- | |
| 13 | 01010-51430 | BOLT | 1101- | |
| 14 | 01602-21442 | WASHER | 1101- |
