
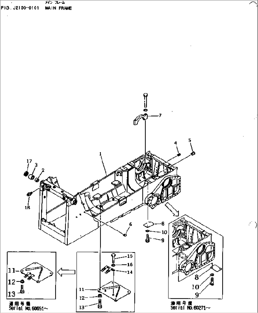
| Item | Part No. | Part Name | Qty | Serial No. |
| 1 | 14Y-21-11004 | FRAME ASS'Y | 60651- | |
| \0\14Y-21-11003 | FRAME ASS'Y | 60516-60650 | ||
| \0\14Y-21-11002 | FRAME ASS'Y | 60271-60515 | ||
| \3\14Y-21-11001 | FRAME ASS'Y | 60001-60270 | ||
| (14Y-21-11002{14Y-21-14120¤} | ||||
| 01010-51225(2){01643-31232(2))} | ||||
| 2 | 144-70-15171 | BUSHING | 60001- | |
| 3 | 144-70-15181 | BUSHING | 60001- | |
| 4 | 07049-02430 | PLUG | 60001- | |
| 5 | 07049-03342 | PLUG | 60001- | |
| 6 | 09415-02520 | CAP | 60001- | |
| 7 | 14Y-21-13110 | CAP | 60001- | |
| 8 | 14Y-21-14120 | PLATE | 60271- | |
| 14Y-21-14120 | PLATE | 60001-60270 | ||
| 9 | 01010-51225 | BOLT | 60271- | |
| 01010-51225 | BOLT | 60001-60270 | ||
| 10 | 01643-31232 | WASHER | 60271- | |
| 01643-31232 | WASHER | 60001-60270 | ||
| 11 | 14Y-21-14114 | COVER | 60651- | |
| 14Y-21-14113 | COVER | 60001-60650 | ||
| 12 | 14Y-21-14141 | BOSS | 60001- | |
| 13 | 01010-51645 | BOLT | 60001- | |
| 14 | 14Y-21-14131 | BRACKET | 60001-60650 | |
| 15 | 01010-51025 | BOLT | 60001-60650 | |
| 16 | 01643-31032 | WASHER | 60001-60650 | |
| 17 | 130-09-12370 | SEAL | 60001- | |
| 18 | 07020-00000 | FITTING,GREASE | 60001- |
