
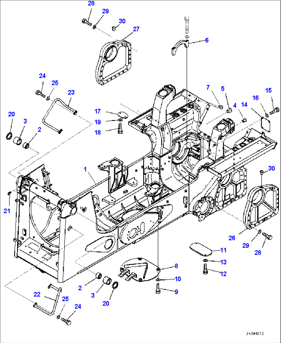
| Item | Part No. | Part Name | Qty | Serial No. |
| 1 | 14X-21-52202 | Frame Assembly | 81493- | |
| 1 | 14X-21-52201 | Frame Assembly | 80719-81492 | |
| 1 | 14X-21-52200 | Frame Assembly | 80001-80718 | |
| 2 | 144-70-15171 | Bushing | 80001- | |
| 3 | 14X-21-51450 | Bushing | 80059- | |
| 3 | 144-70-15181 | Bushing | 80001-80058 | |
| 4 | 07049-02430 | Plug | 80001- | |
| 5 | 07049-03342 | Plug, Cork | 80001- | |
| 6 | 154-21-71420 | Cap | 80001- | |
| 7 | 07049-01215 | Plug | 80001- | |
| 8 | 14X-21-51342 | Cover | 81369- | |
| 8 | 14X-21-51341 | Cover | 80001-81368 | |
| 9 | 01010-81235 | Bolt | 80001- | |
| 10 | 01643-31232 | Washer | 80001- | |
| 11 | 14X-21-51371 | Cover | 80001- | |
| 12 | 01010-81225 | Bolt | 80001- | |
| 13 | 01643-31232 | Washer | 80001- | |
| 14 | 14X-21-51350 | Cover | 80001-80016 | |
| 15 | 01010-81225 | Bolt | 80001-80016 | |
| 16 | 01643-31232 | Washer | 80001-80016 | |
| 17 | 14X-21-51361 | Cover | 80001- | |
| 18 | 01010-81230 | Bolt | 80001- | |
| 19 | 01643-31232 | Washer | 80001- | |
| 20 | 130-09-12370 | Seal | 80001- | |
| 21 | 07020-00675 | Fitting, Grease | 80001- | |
| 22 | 14X-54-55130 | Handle | 80001- | |
| 23 | 14X-54-55140 | Handle | 80001- | |
| 24 | 01010-81230 | Bolt | 80001- | |
| 25 | 01643-31232 | Washer | 80001- | |
| 26 | 14X-27-52211 | Spacer, L.H. | 80001- | |
| 27 | 14X-27-52221 | Spacer, R.H. | 80001- | |
| 28 | 01010-81295 | Bolt | 80001- | |
| 29 | 01643-31232 | Washer | 80001- | |
| 30 | 07049-01215 | Plug | 80013- |
