
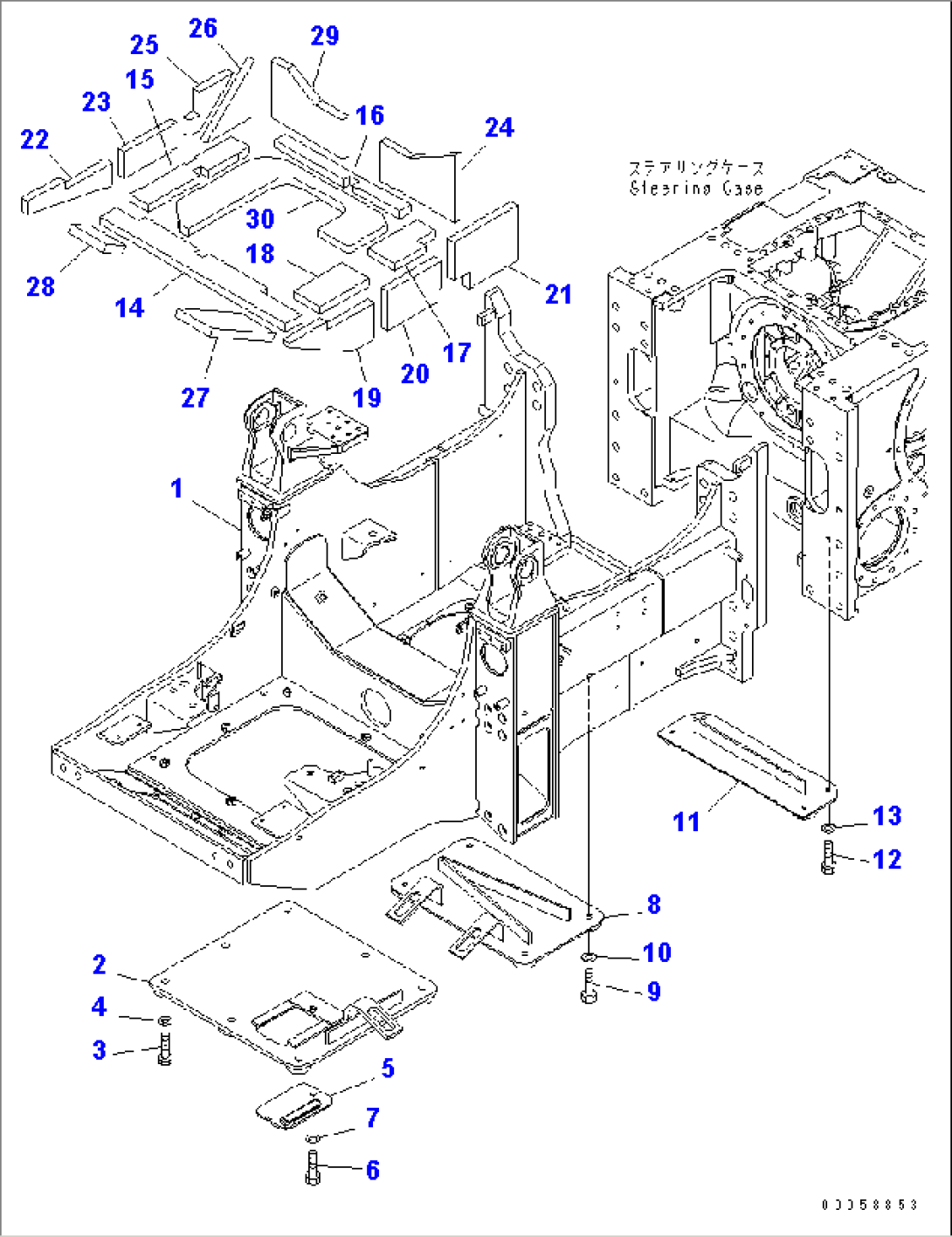
| Item | Part No. | Part Name | Qty | Serial No. |
| 1 | 134-21-72100 | FRAME ASS'Y | B45001- | |
| 2 | 134-21-71310 | COVER | B45001- | |
| 3 | 01010-81645 | BOLT | B45001- | |
| 4 | 01643-31645 | WASHER | B45001- | |
| 5 | 134-21-71330 | COVER | B45001- | |
| 6 | 01010-81230 | BOLT | B45001- | |
| 7 | 01643-31232 | WASHER | B45001- | |
| 8 | 134-21-61380 | COVER | B45001- | |
| 9 | 01010-81635 | BOLT | B45001- | |
| 10 | 01643-31645 | WASHER | B45001- | |
| 11 | 134-21-61242 | COVER | B45001- | |
| 12 | 01010-81230 | BOLT | B45001- | |
| 13 | 01643-31232 | WASHER | B45001- | |
| 14 | 134-B62-6710 | SHEET | B45001- | |
| 15 | 134-B62-6720 | SHEET | B45001- | |
| 16 | 134-B62-6730 | SHEET | B45001- | |
| 17 | 134-B62-6740 | SHEET | B45001- | |
| 18 | 134-B62-6750 | SHEET | B45001- | |
| 19 | 134-B62-6510 | SHEET | B45001- | |
| 20 | 134-B62-6520 | SHEET | B45001- | |
| 21 | 134-B62-6530 | SHEET | B45001- | |
| 22 | 134-B62-6540 | SHEET | B45001- | |
| 23 | 134-B62-6550 | SHEET | B45001- | |
| 24 | 134-B62-4560 | ABSORBER | B45001- | |
| 25 | 134-B62-6560 | SHEET | B45001- | |
| 26 | 134-B62-6570 | SHEET | B45001- | |
| 27 | 134-B62-6580 | SHEET | B45001- | |
| 28 | 134-B62-6590 | SHEET | B45001- | |
| 29 | 134-B62-6630 | SHEET | B45001- | |
| 30 | 134-B62-6620 | SHEET | B45001- |
