
| Item | Part No. | Part Name | Qty | Serial No. |
| (104-60-41301) | VALVE ASS'Y | 83001- | ||
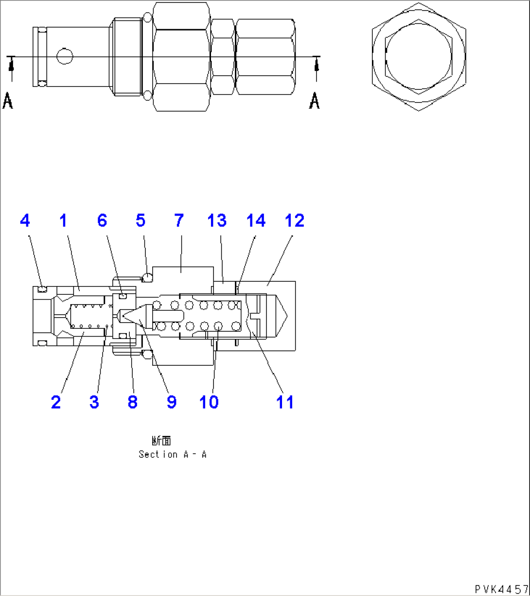
| THIS ASSEMBLY CONSISTS OF ALL PARTS SHOWN IN FIGS.Y1680-21A0 TO Y1680-25A0. | ||||
| NAD33414757323 | VALVE ASS'Y,MAIN RELIEF | 83001- | ||
| 1 | \6\ | SLEEVE | 83001- | |
| 2 | \6\ | POPPET | 83001- | |
| 3 | NAE57414749201 | SPRING | 83001- | |
| 4 | NAC03100001510 | O-RING | 83001- | |
| 5 | NAC01100022010 | O-RING | 83001- | |
| 6 | NAC01101010010 | O-RING | 83001- | |
| 7 | \6\ | RETAINER | 83001- | |
| 8 | NAD33414478901 | PLATE | 83001- | |
| 9 | NAD51090205004 | POPPET | 83001- | |
| 10 | NAE574120838 | SPRING | 83001- | |
| 11 | NAE12414733701 | SCREW | 83001- | |
| 12 | NAE12414733801 | NUT | 83001- | |
| 13 | NAE51414733901 | NUT | 83001- | |
| 14 | NAE54414762001 | O-RING | 83001- |
