
| Item | Part No. | Part Name | Qty | Serial No. |
| (723-25-10503) | VALVE ASS'Y | 1181- | ||
| (723-25-10501) | VALVE ASS'Y | 1166-1180 | ||
| (723-25-10500) | VALVE ASS'Y | 1088-1165 | ||
| (723-25-10202) | VALVE ASS'Y | 1033-1087 | ||
| (723-25-10201) | VALVE ASS'Y | 1001-1032 | ||
| THESE ASSEMBLIES CONSIST OF ALL PARTS SHOWN IN FIGS.Y1665-01A0 TO Y1665-14A0. | ||||
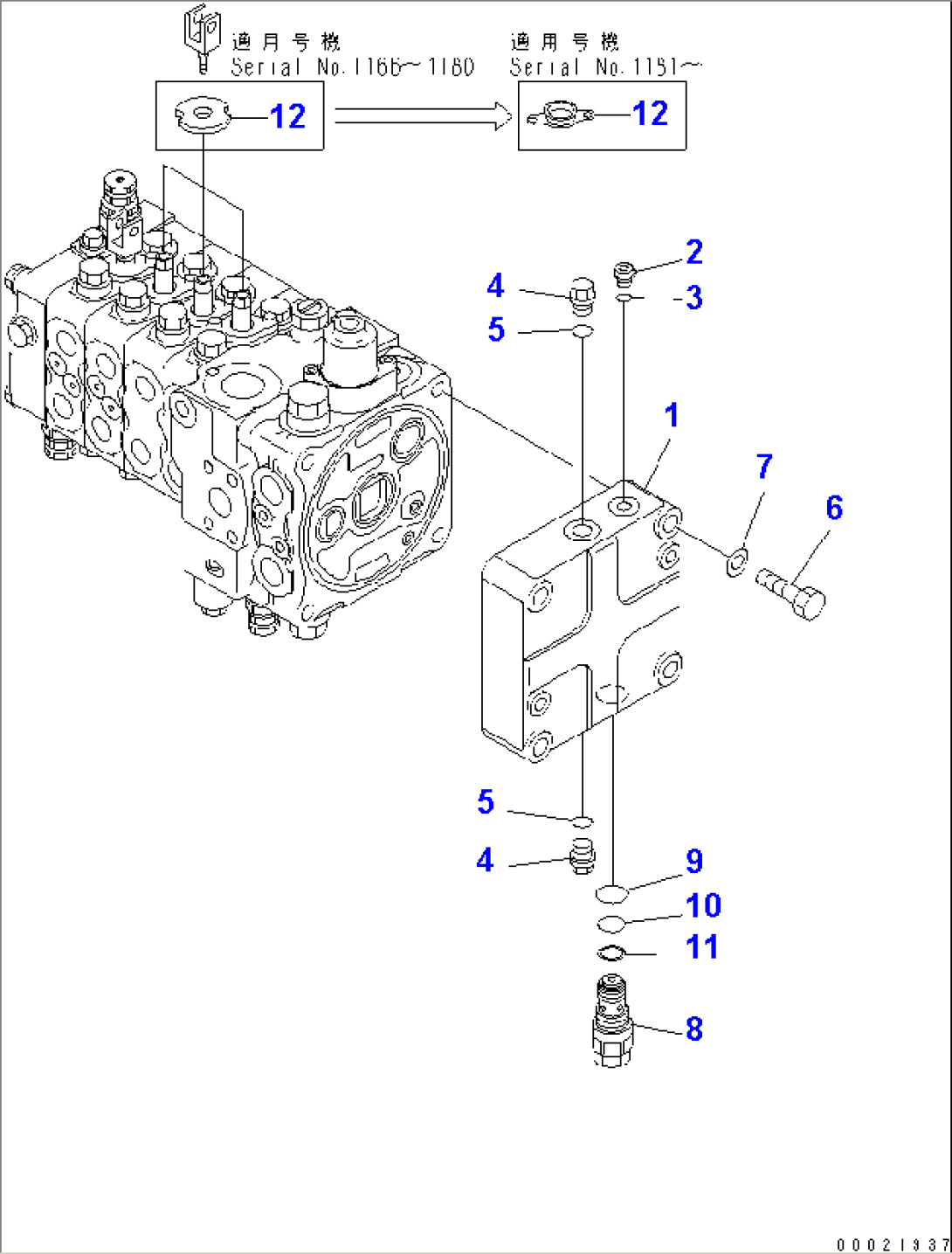
| 1 | \6\ | COVER | 1001- | |
| 2 | 708-8E-16160 | PLUG | 1001- | |
| 3 | 07002-11023 | O-RING | 1001- | |
| 4 | 706-73-71450 | PLUG | 1001- | |
| 5 | 07002-11423 | O-RING | 1001- | |
| 6 | 01011-81225 | BOLT | 1001- | |
| 7 | 01643-31232 | WASHER | 1001- | |
| 8 | 723-60-21600 | VALVE ASS'Y,RELIEF | 1088- | |
| 723-60-21500 | VALVE ASS'Y,RELIEF | 1001-1087 | ||
| 9 | 07002-12434 | O-RING | 1001- | |
| 10 | 07000-12016 | O-RING | 1001- | |
| 11 | 07001-02016 | RING,BACK-UP | 1001- | |
| 12 | 124-43-64160 | PLATE | 1181- | |
| 723-26-15880 | SEAL | 1166-1180 |
