
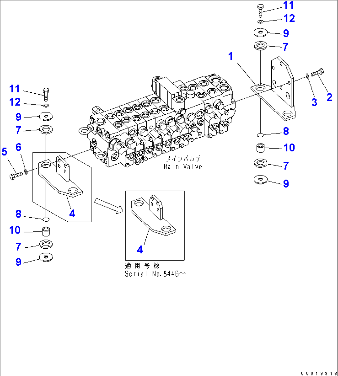
| Item | Part No. | Part Name | Qty | Serial No. |
| 1 | 22M-60-22111 | BRACKET | 8001- | |
| 2 | 01010-81030 | BOLT | 8001- | |
| 3 | 01643-31032 | WASHER | 8001- | |
| 4 | 22M-60-22122 | BRACKET | 8446- | |
| 4 | 22M-60-22121 | BRACKET | 8001-8445 | |
| 5 | 01010-80825 | BOLT | 8001- | |
| 6 | 01643-30823 | WASHER | 8001- | |
| 7 | 201-910-6730 | CUSHION | 8001- | |
| 8 | 07002-12434 | O-RING | 8001- | |
| 9 | 415-64-13120 | WASHER | 8001- | |
| 10 | 22M-60-22130 | COLLAR | 8001- | |
| 11 | 01010-81040 | BOLT | 8001- | |
| 12 | 01643-31032 | WASHER | 8001- |
