| Item | Part No. | Part Name | Qty | Serial No. |
| 134-98-11210 | PLATE KIT | | 83195- |
| 1 | \6\ | PLATE¤ SAFETY,BEFORE OPERATING | | 83195- |
| 2 | \6\ | PLATE¤ CAUTION,BEFORE AND AFTER OPERATION | | 83195- |
| 3 | \6\ | PLATE¤ SAFETY,RADIATOR WARNING | | 83195- |
| 4 | \6\ | PLATE¤ SAFETY,HYDRAULIC TANK | | 83195- |
| 5 | \6\ | PLATE¤ CAUTION,SAFETY COMFIRM OF REAR | | 83195- |
| 6 | 14X-98-11161 | PLATE¤ SAFETY,ADJUSTING TRACK SHOE | | 83195- |
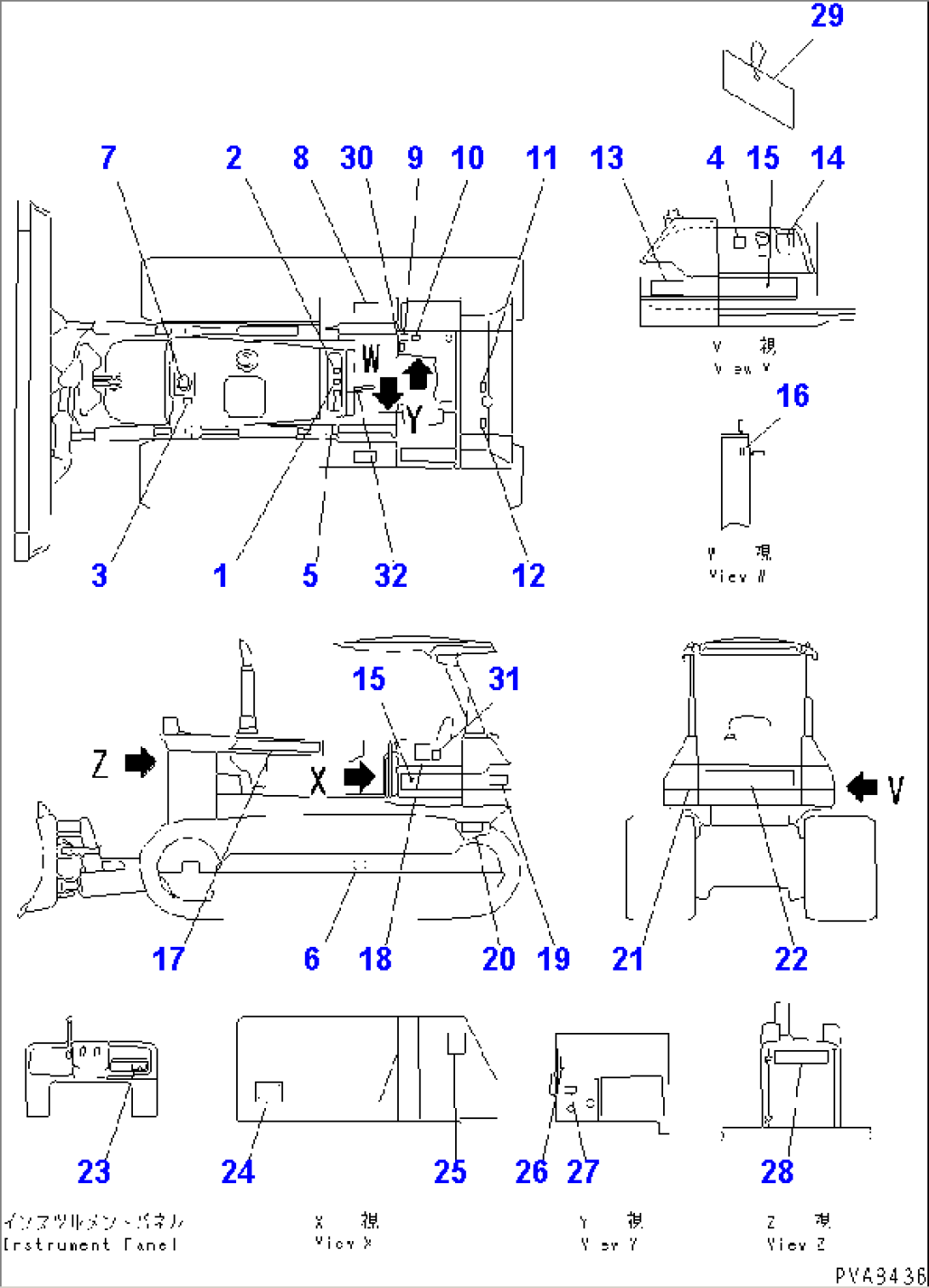
| 7 | 09650-01101 | PLATE¤ INSTRUCTION,RADIATOR | | 83001- |
| 8 | 120-54-32451 | SHEET,ANTISKID | | 83001- |
| 9 | 124-98-51140 | PLATE¤ OPERATING,BLADE CONTROL LEVER (PAT) | | 83229- |
| 09670-0000B | PLATE¤ OPERATING,BLADE CONTROL LEVER (PAT) | | 83209-83228 |
| 09670-00004 | PLATE¤ OPERATING,BLADE CONTROL LEVER (PAT) | | 83001-83208 |
| 09670-0000A | PLATE¤ OPERATING,BLADE CONTROL LEVER (A) | | 83209- |
| 09670-00001 | PLATE¤ OPERATING,BLADE CONTROL LEVER (A) | | 83001-83208 |
| 09670-0000B | PLATE¤ OPERATING,BLADE CONTROL LEVER (AT) | | 83209- |
| 09670-00004 | PLATE¤ OPERATING,BLADE CONTROL LEVER (AT) | | 83001-83208 |
| 10 | 09670-0000E | PLATE¤ OPERATING,BLADE CONTROL LEVER (PAT) | | 83209-83228 |
| 09670-00007 | PLATE¤ OPERATING,BLADE CONTROL LEVER (PAT) | | 83075-83208 |
| 11 | 09656-01080 | PLATE¤ INSTRUCTION,FUEL TANK STRAINER | | 83001- |
| 12 | 09652-01101 | PLATE¤ CAUTION,FUEL TANK | | 83001- |
| 13 | 134-54-55120 | PLATE¤ MARK,D53A | | 83133- |
| 14 | 09655-01120 | PLATE¤ INSTRUCTION,OIL FILTER | | 83001- |
| 15 | 134-54-55142 | PLATE¤ MARK | | 83133- |
| 16 | 09685-00002 | PLATE¤ OPERATING,TRANSMISSION LEVER LOCK | | 83001- |
| 17 | 15B-54-15151 | PLATE¤ MARK,LINE¤ L.H. | | 83050- |
| 15B-54-15141 | PLATE¤ MARK,LINE¤ R.H. | | 83050- |
| 18 | 13G-54-45320 | CHART,OIL (PAT) | | 83229- |
| 13G-54-55210 | CHART,OIL | | 83001-83228 |
| 13G-54-55210 | CHART,OIL (A) | | 83229- |
| 13G-54-55210 | CHART,OIL (AT) | | 83229- |
| 19 | 134-54-55120 | PLATE¤ MARK,D53A | | 83133- |
| 20 | 21K-00-22170 | PLATE¤ MARK,SYMBOL | | 83001- |
| 21 | 144-54-84122 | PLATE¤ MARK,WHITE LINE | | 83133- |
| 22 | 09690-C0400 | PLATE¤ MARK,KOMATSU | | 83133- |
| 23 | 09683-0000F | PLATE¤ OPERATING,STARTING SWITCH | | 83209- |
| 09683-01060 | PLATE¤ OPERATING,STARTING SWITCH | | 83001-83208 |
| 24 | 09602-01635 | PLATE¤ NAME,(LIMITED SUPPLY) | | 83001- |
| 04418-13060 | SCREW | | 83001- |
| 25 | 134-54-55160 | PLATE¤ DATA,(PAT) | | 83001- |
| 134-54-55150 | PLATE¤ DATA,(A) | | 83001- |
| 134-54-55150 | PLATE¤ DATA,(AT) | | 83001- |
| 26 | 09685-00005 | PLATE¤ OPERATING,BLADE CONTROL LEVER LOCK (PAT) | | 83001- |
| 09685-00001 | PLATE¤ OPERATING,BLADE CONTROL LEVER LOCK (A) | | 83001- |
| 09685-00005 | PLATE¤ OPERATING,BLADE CONTROL LEVER LOCK (AT) | | 83001- |
| 27 | 09685-00004 | PLATE¤ OPERATING,BRAKE LOCK LEVER | | 83001- |
| 28 | 09690-C0280 | PLATE¤ MARK,KOMATSU | | 83133- |
| 29 | 21X-98-21190 | TAG¤ CAUTION,DO NOT OPERATE | | 83195- |
| 30 | 09679-0200B | PLATE¤ OPERATING,HORN SWITCH | | 83209- |
| 31 | 134-98-31370 | PLATE¤ CAUTION,IMAGE | | 83209- |
| 32 | 134-98-31810 | PLATE¤ OPERATING,FUEL LEVER | | 83209- |