
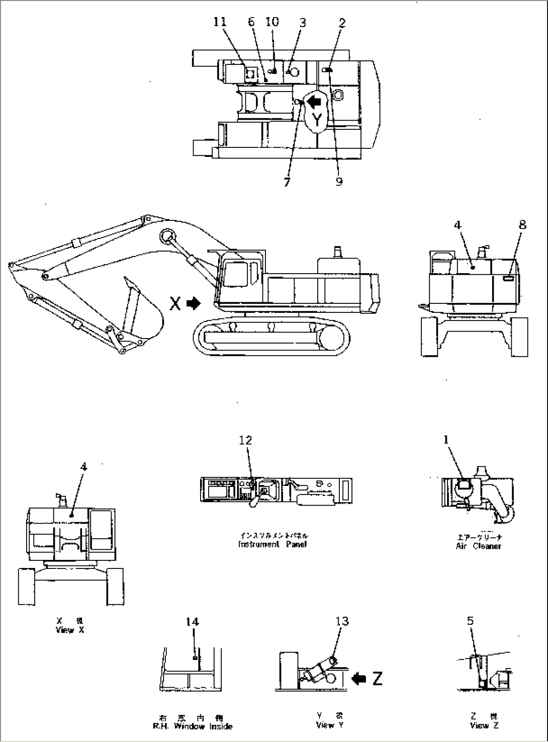
| Item | Part No. | Part Name | Qty | Serial No. |
| 1 | 09637-90261 | PLATE, INSTRUCTION | 20156- | |
| 2 | 09668-09000 | PLATE, SAFETY | 20156- | |
| 3 | 09653-09000 | PLATE, SAFETY | 20001- | |
| 4 | 09667-09000 | PLATE, SAFETY | 20001- | |
| 5 | 09659-29000 | PLATE, SAFETY | 20001- | |
| 6 | 209-00-15510 | PLATE, CAUTION | 20001- | |
| 7 | 209-00-15490 | PLATE, CAUTION | 20001- | |
| 8 | 20Y-00-21930 | PLATE, CAUTION | 20179- | |
| 9 | 09650-90101 | PLATE, INSTRUCTION | 20001- | |
| 10 | 09101-09000 | PLATE, CAUTION | 20001- | |
| 11 | 209-00-65141 | PLATE,LUBRICATION | 20001- | |
| 12 | 205-00-71990 | PLATE | 20179- | |
| 13 | 209-00-15510 | PLATE, CAUTION | 20179- | |
| 14 | 203-00-31410 | PLATE, SAFETY | 20179- |
