
| Item | Part No. | Part Name | Qty | Serial No. |
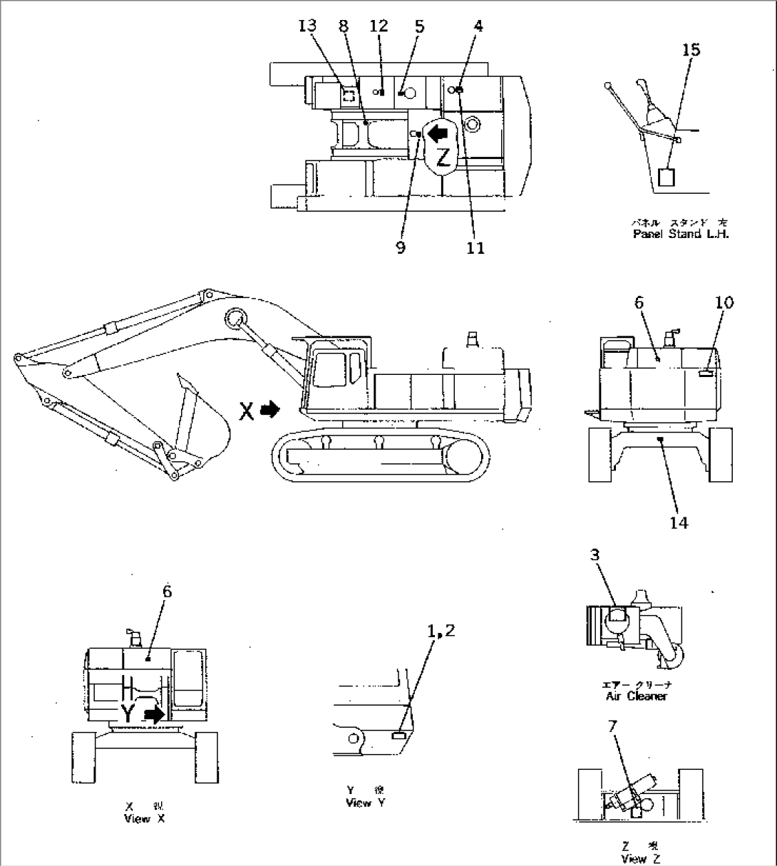
| 1 | 09601-00835 | PLATE¤ NAME | 20156-@ | |
| 09602-01643 | PLATE¤ NAME | 20001-20155 | ||
| 2 | 04418-13060 | SCREW | 20156-@ | |
| 01220-40608 | SCREW | 20001-20155 | ||
| 3 | 09637-00161 | PLATE¤ INSTRUCTION | 20001-@ | |
| 4 | 09668-00100 | PLATE¤ SAFETY | 20001-@ | |
| 5 | 09653-00100 | PLATE¤ SAFETY | 20001-@ | |
| 6 | 09667-00100 | PLATE¤ SAFETY | 20001-@ | |
| 7 | 09659-20100 | PLATE¤ SAFETY | 20001-@ | |
| 8 | 209-00-11170 | PLATE¤ CAUTION | 20001-@ | |
| 9 | 209-00-11490 | PLATE¤ CAUTION | 20001-@ | |
| 10 | 203-00-51210 | PLATE¤ CAUTION | 20001-20178 | |
| 11 | 09650-01101 | PLATE¤ INSTRUCTION | 20001-@ | |
| 12 | 09101-00100 | PLATE¤ INSTRUCTION | 20001-@ | |
| 13 | 209-00-61140 | PLATE | 20001-@ | |
| 14 | 209-00-11170 | PLATE¤ CAUTION | 20001-@ | |
| 15 | 209-00-61111 | PLATE,(PC650¤ PC650SE) | 20156-@ | |
| 209-00-61110 | PLATE,(PC650¤ PC650SE) | 20001-20155 | ||
| 209-00-61121 | PLATE,(PC650LC) | 20156-@ | ||
| 209-00-61120 | PLATE,(PC650LC) | 20001-20155 |
