
| Item | Part No. | Part Name | Qty | Serial No. |
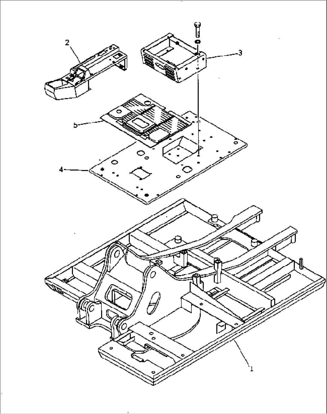
| 1 | 21K-46-21112 | FRAME,REVOLVING | 4374- | |
| 1 | 21K-46-25511 | FRAME,REVOLVING | 3001-4373 | |
| 2 | 203-54-41125 | BOX | 4374- | |
| 2 | 203-54-41712 | BOX | 3001-4373 | |
| 3 | 21K-54-28650 | BRACKET | 4374- | |
| 3 | 203-54-45241 | BRACKET | 3001-4373 | |
| 4 | 21K-54-28630 | FRAME,FLOOR | 4374- | |
| 4 | 203-54-45262 | FRAME,FLOOR | 3001-4373 | |
| 5 | 21K-54-28640 | MAT,FLOOR | 4374- | |
| 5 | 203-54-45250 | MAT,FLOOR | 3001-4373 |
