
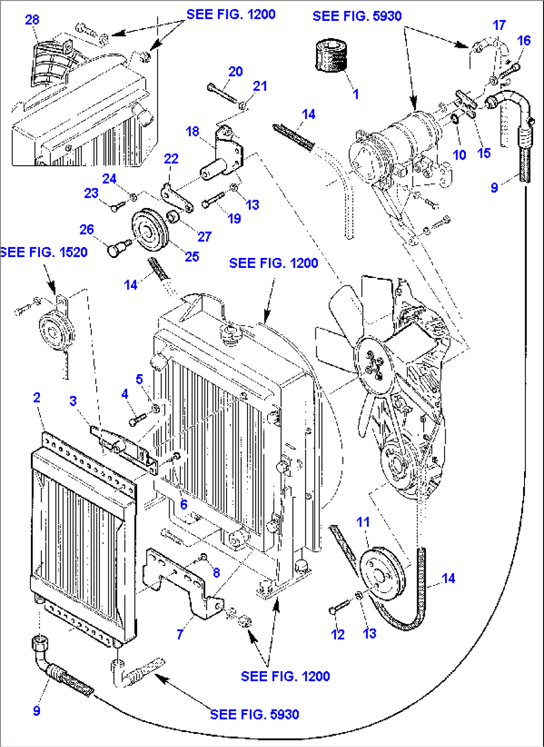
| Item | Part No. | Part Name | Qty | Serial No. |
| \0 | (888011041) | AIR BLENDING SYSTEM, ASSY | 91F20070- | |
| \0 | 888011043 | MOTOR AIR BLENDING SYSTEM, ASSY | 91F20070- | |
| 1 | 888011044 | ADHESIVE PARCELLING | 91F20070- | |
| 2 | 312649054 | BATTERY | 91F20070- | |
| 3 | 312649055 | UPPER SUPPORT | 91F20070- | |
| 4 | 801015087 | BOLT | 91F20070- | |
| 5 | 802170001 | WASHER | 91F20070- | |
| 6 | 801370052 | SELF-TAPPING SCREW | 91F20070- | |
| 7 | 312649056 | LOWER SUPPORT | 91F20070- | |
| 8 | 801370052 | SELF-TAPPING SCREW | 91F20070- | |
| 9 | 312649063 | HOSE | 91F20070- | |
| 10 | 312649607 | O-RING | 91F20070- | |
| 11 | 312649068 | MOTOR PULLEY | 91F20070- | |
| 12 | 801015110 | BOLT | 91F20070- | |
| 13 | 802170002 | WASHER | 91F20070- | |
| 14 | 888011072 | BELT | 91F20070- | |
| 15 | 312649061 | FLANGE FIXING TUBE | 91F20070- | |
| 16 | 801105546 | BOLT | 91F20070- | |
| 17 | 888011076 | WASHER | 91F20070- | |
| 18 | 888011071 | ECCENTRIC SUPPORT | 91F20070- | |
| 19 | 801015108 | BOLT | 91F20070- | |
| 20 | 801015554 | BOLT | 91F20070- | |
| 21 | 802170001 | WASHER | 91F20070- | |
| 22 | 312649071 | ECCENTRIC | 91F20070- | |
| 23 | 801024065 | BOLT | 91F20070- | |
| 24 | 888011073 | WASHER | 91F20070- | |
| 25 | 312649069 | PULLEY | 91F20070- | |
| 26 | 312649070 | PIN | 91F20070- | |
| 27 | 312649605 | SPACER | 91F20070- | |
| 28 | 312607097 | FAN PROTECTION | 91F20070- | |
| SEE FIG. 1200 | ||||
| SEE FIG. 1520 | ||||
| SEE FIG. 5930 |
