
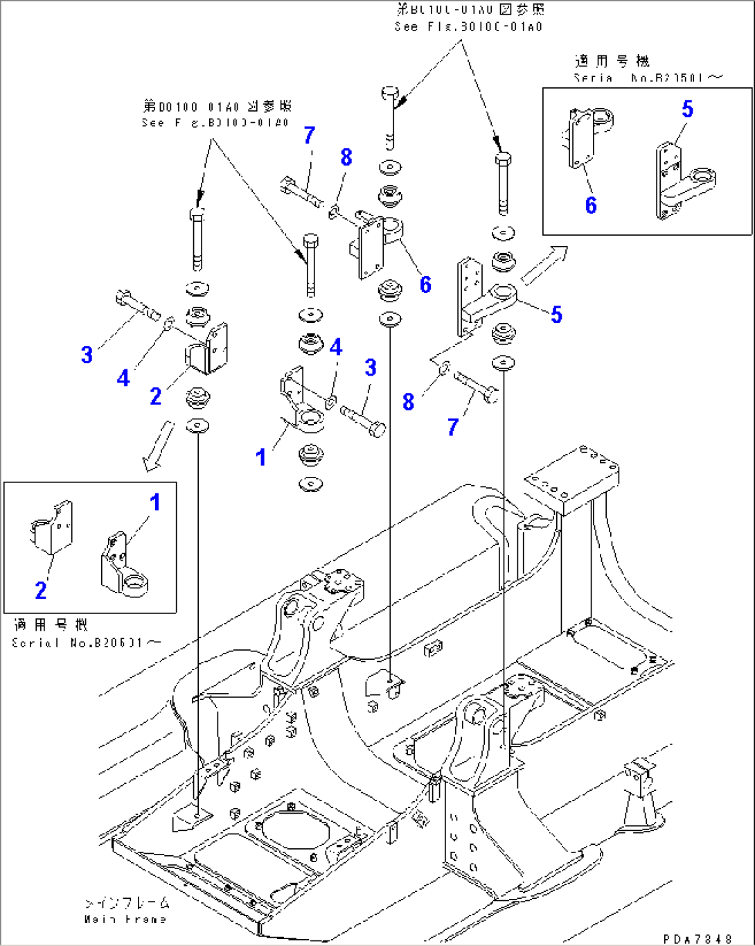
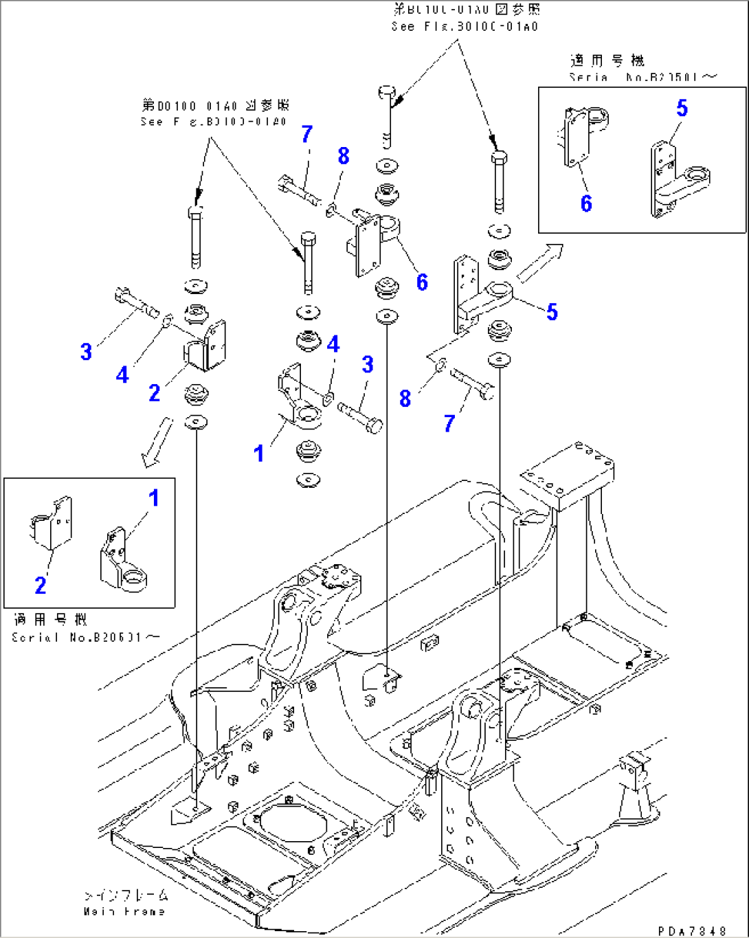
| Item | Part No. | Part Name | Qty | Serial No. |
| 1 | 124-01-51412 | BRACKET,FRONT¤ L.H. | B20501- | |
| \0\124-01-51411 | BRACKET,FRONT¤ L.H. | B20001-B20500 | ||
| 2 | 124-01-51421 | BRACKET,FRONT¤ R.H. | B20501- | |
| \0\124-01-51420 | BRACKET,FRONT¤ R.H. | B20001-B20500 | ||
| 3 | 01011-81240 | BOLT | B20001- | |
| 4 | 01643-31232 | WASHER | B20001- | |
| 5 | 124-01-51431 | BRACKET,REAR¤ L.H. | B20501- | |
| \0\124-01-51430 | BRACKET,REAR¤ L.H. | B20001-B20500 | ||
| 6 | 124-01-51442 | BRACKET,REAR¤ R.H. | B20501- | |
| \0\124-01-51441 | BRACKET,REAR¤ R.H. | B20001-B20500 | ||
| 7 | 01011-81240 | BOLT | B20001- | |
| 8 | 01643-31232 | WASHER | B20001- |
