
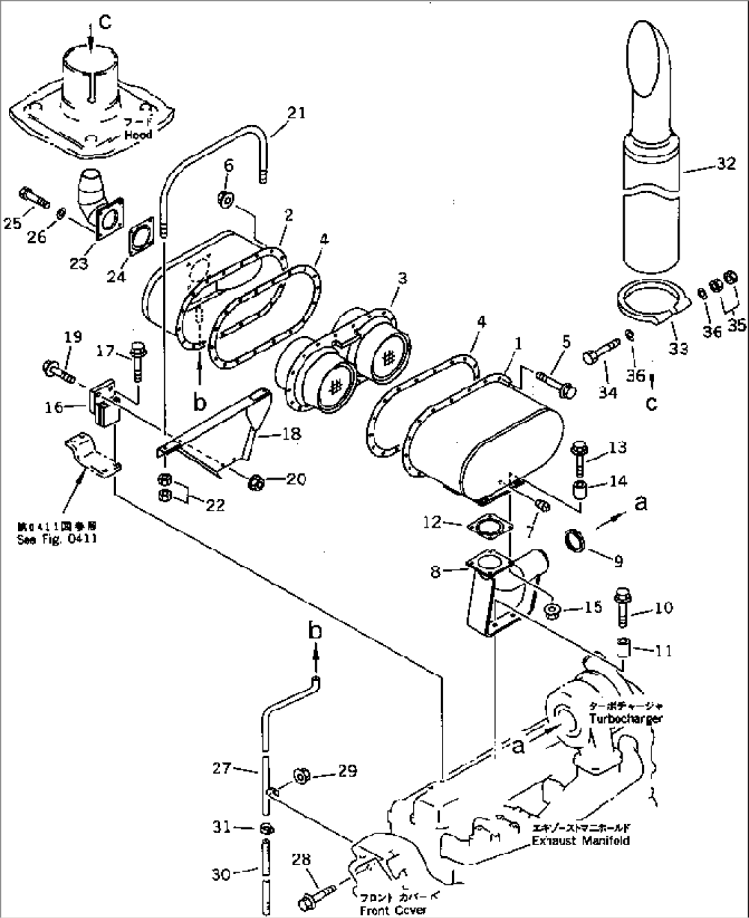
| Item | Part No. | Part Name | Qty | Serial No. |
| 6138-12-5510 | MUFFLER ASS'Y,CERAMIC | 109178- | ||
| 1 | 6138-12-5520 | BODY ASS'Y,INLET | 109178- | |
| 2 | 6138-12-5530 | BODY ASS'Y,OUTLET | 109178- | |
| 3 | 6138-12-5550 | FILTER,CERAMIC | 109178- | |
| 4 | 6138-12-5560 | GASKET | 109178- | |
| 5 | 01435-01030 | BOLT | 109178- | |
| 6 | 01584-01008 | NUT | 109178- | |
| 7 | 07042-20108 | PLUG | 109178- | |
| 8 | 6138-12-5310 | ELBOW,EXHAUST | 109178- | |
| 9 | 6136-12-5280 | RING,SEAL (K1) | 109178- | |
| 10 | 01435-01040 | BOLT | 109178- | |
| 11 | 6631-11-5630 | SPACER | 109178- | |
| 12 | 6138-12-5810 | GASKET (K1) | 109178- | |
| 13 | 01435-01225 | BOLT | 109178- | |
| 14 | 6678-51-9520 | SPACER | 109178- | |
| 15 | 01584-01210 | NUT | 109178- | |
| 16 | 6137-11-5772 | BRACKET | 109178- | |
| 17 | 01435-01090 | BOLT | 109178- | |
| 18 | 6138-12-5650 | BRACKET | 109178- | |
| 19 | 01435-01030 | BOLT | 109178- | |
| 20 | 01584-01008 | NUT | 109178- | |
| 21 | 6138-12-5680 | U-BOLT | 109178- | |
| 22 | 01581-01008 | NUT | 109178- | |
| 23 | 6138-12-5750 | PIPE,EXHAUST | 109178- | |
| 24 | 6138-11-5810 | GASKET | 109178- | |
| 25 | 01020-01225 | BOLT | 109178- | |
| 26 | 01643-31232 | WASHER | 109178- | |
| 27 | 6138-12-5780 | TUBE,DRAIN | 109178- | |
| 28 | (01435-00865) | BOLT,(SEE FIG.0205) | 109178- | |
| 29 | (01584-00806) | NUT,(SEE FIG.0205) | 109178- | |
| 30 | 07260-20980 | HOSE | 109178- | |
| 31 | 07285-00155 | CLIP | 109178- | |
| 32 | 6151-11-5590 | PIPE,EXHAUST | 109178- | |
| 33 | 6138-11-5620 | CLAMP | 109178- | |
| 34 | 6693-12-5550 | BOLT | 109178- | |
| 35 | 01582-01411 | NUT | 109178- | |
| 36 | 6151-11-5670 | WASHER | 109178- |
