
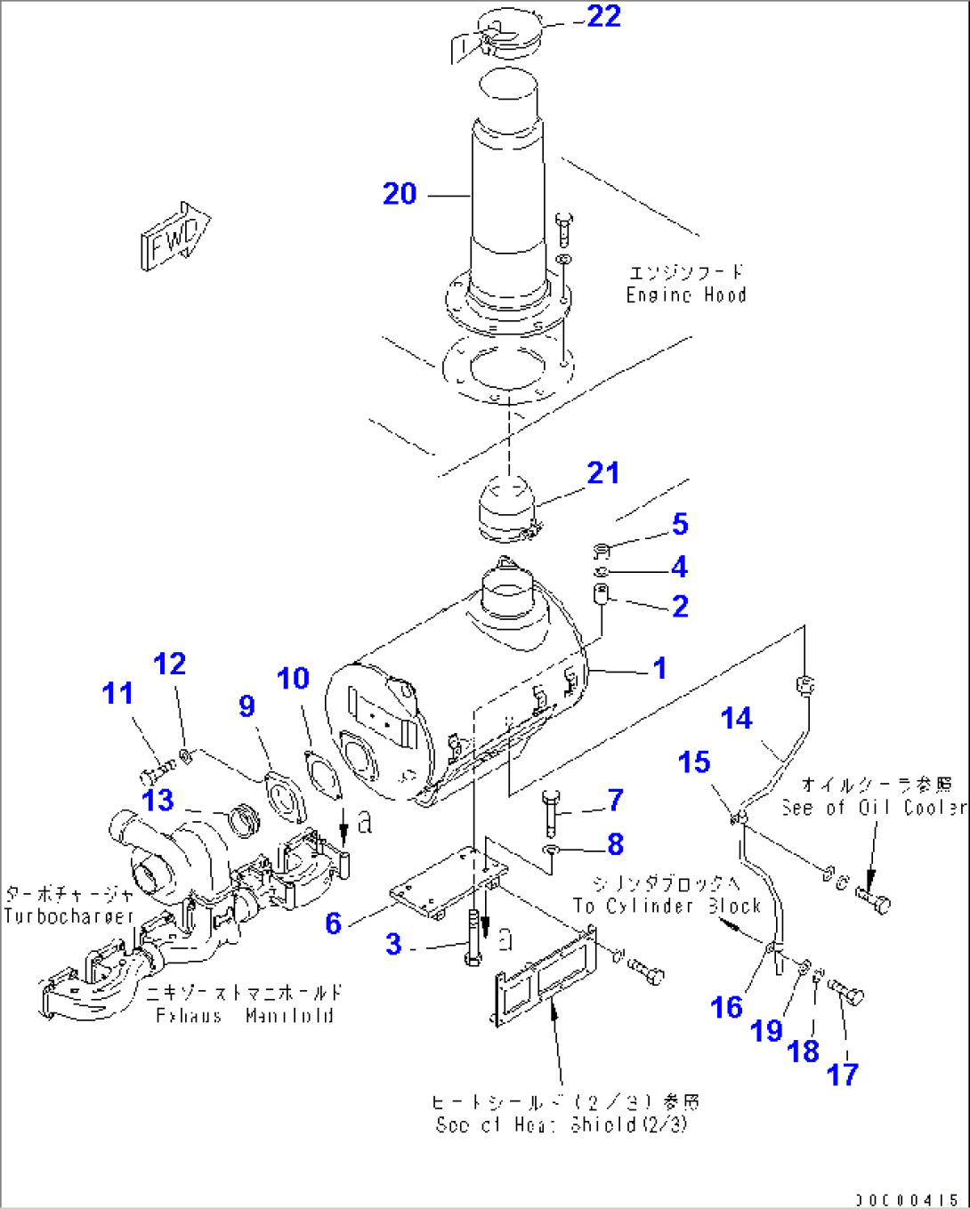
| Item | Part No. | Part Name | Qty | Serial No. |
| 1 | 6162-13-7242 | MUFFLER | 17295- | |
| 1 | (\2\6162-13-7241) | MUFFLER | (17295-18024) | |
| 1 | \0\6162-13-7240 | MUFFLER | 15701-17294 | |
| 2 | 6142-22-4640 | SPACER | 15701- | |
| 3 | 01010-E1280 | BOLT | 17435- | |
| 3 | \0\01010-61280 | BOLT | 15701-17434 | |
| 4 | 01643-31232 | WASHER | 15701- | |
| 5 | 01580-01210 | NUT | 15701- | |
| 6 | 6162-13-7470 | BRACKET | 15701- | |
| 7 | 01010-E1270 | BOLT | 17383- | |
| 7 | \0\01010-61270 | BOLT | 15701-17382 | |
| 8 | 01643-51232 | WASHER | 15701- | |
| 9 | 6162-14-5570 | FLANGE | 15701- | |
| 10 | 6162-14-5540 | GASKET (K1) | 15701- | |
| 11 | 01020-11030 | BOLT | 17383- | |
| 11 | \0\01010-61030 | BOLT | 15701-17382 | |
| 12 | 01602-01030 | WASHER,SPRING | 15701- | |
| 13 | 6162-13-5432 | JOINT | 15701- | |
| 14 | 6162-13-5524 | TUBE | 15701- | |
| 15 | 6162-13-5660 | CLAMP | 15701- | |
| 16 | 6162-14-5880 | CLIP | 15701- | |
| 17 | 01010-51835 | BOLT | 17383- | |
| 17 | \0\01010-31835 | BOLT | 15701-17382 | |
| 18 | 01602-21854 | WASHER,SPRING | 20009- | |
| 18 | \0\01602-01854 | WASHER,SPRING | 15701-20008 | |
| 19 | 01640-21826 | WASHER | 20009- | |
| 19 | \0\01640-01826 | WASHER | 15701-20008 | |
| 20 | 6162-13-5280 | PIPE,EXHAUST | 15701- | |
| 21 | 6162-13-5290 | PIPE | 15701- | |
| 22 | 6162-14-5640 | CAP,RAIN | 15701- |
