
| Item | Part No. | Part Name | Qty | Serial No. |
| G-1 | (\8\209-57-X3000) | OPERATOR'S SEAT G. | 11001- | |
| ==================== | ||||
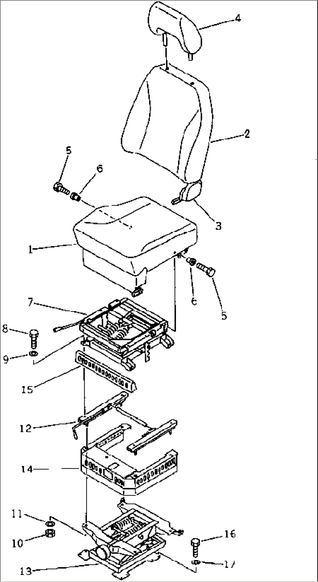
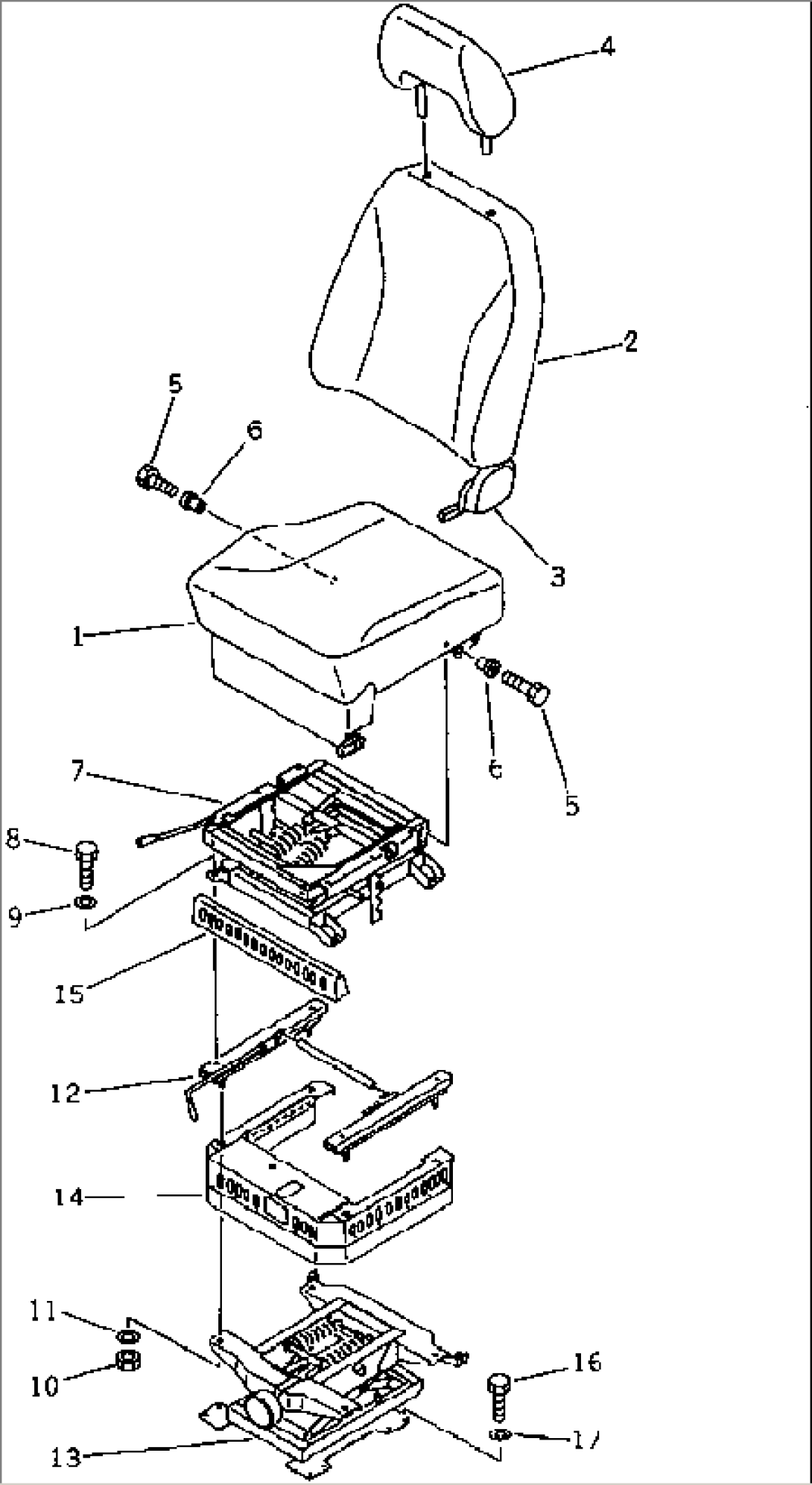
| 205-57-00090 | SEAT ASS'Y | 11001- | ||
| 1 | 205-57-74110 | CUSHION,SEAT | 11001- | |
| 2 | 205-57-74120 | CUSHION,BACK | 11001- | |
| 3 | 205-57-74140 | RECLINING ASS'Y | 11001- | |
| 4 | 205-57-74130 | HEAD REST ASS'Y | 11001- | |
| 5 | 205-57-74210 | BOLT | 11001- | |
| 6 | 205-57-74220 | BUSHING | 11001- | |
| 7 | 205-57-74151 | LIFTER ASS'Y | 11001- | |
| 8 | 01010-50816 | BOLT | 11001- | |
| 9 | 01641-20812 | WASHER | 11001- | |
| 10 | 01580-10806 | NUT | 11001- | |
| 11 | 01641-20812 | WASHER | 11001- | |
| 12 | 205-57-74181 | ADJUSTER ASS'Y | 11001- | |
| 13 | 205-57-74160 | SUSPENSION ASS'Y | 11001- | |
| 14 | 205-57-74170 | COVER | 11001- | |
| 15 | 205-57-74190 | COVER | 11001- | |
| ==================== | ||||
| 16 | 01010-51230 | BOLT | 11001- | |
| 17 | 01643-31232 | WASHER | 11001- |
